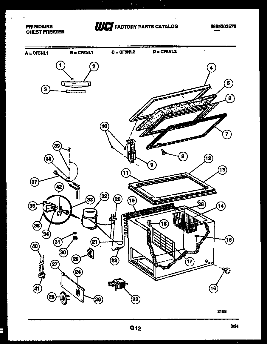
CF5NL2 02 – CHEST FREEZER PARTSadmin2025-04-26T08:48:54+00:00CF5NL2 02 – CHEST FREEZER PARTS ProductsPositionProduct1WCI 53099486472WCI 53099486463WCI 53080136024WCI 30182645WCI 53032072706WCI 080163317WCI 530803799085303922007 Frigidaire Refrigerator Clip,Pkg 0F 249WCI 530994866010WCI 530995060211BREAKER-FRONT & REAR12BREAKER-CORNER13BREAKER-END14WCI 530301827616WCI 0659993219WCI 530012077920WCI 06599967215305878546 Frigidaire Refrigerator Bumper-Basket225303305677 Frigidaire Replacement Filter Dryer Filters235304496560 Frigidaire Refrigerator Cold Control Kit24PLUG-INDICATOR25WCI 530320888126PANEL ACCESS27RETAINER28HANDLE BASKET-YELLOW29CLIP30218513300 Frigidaire Refrigerator Compressor Mount Grommet31CLIP (3)32COMPRESSOR W/ ELECTRICALS33WCI 530320929034WCI 530320928935COVER365303006412 Frigidaire Refrigerator Cover Mounting Strap37WIRING HARNESS385304455846 Frigidaire Refrigerator Clamp39WCI 08037851405304464438 Frigidaire Compressor Run Capacitor41HARNESS CAPACITOR