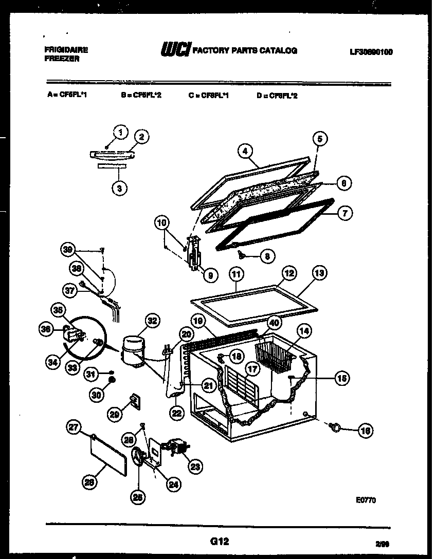
CF8FL2 02 – CHEST FREEZER PARTSadmin2025-04-26T08:48:54+00:00CF8FL2 02 – CHEST FREEZER PARTS ProductsPositionProduct1FASTENER2WCI 099486463WCI 080136024WCI 30182655INSULATION6INNER PANEL7216480911 Frigidaire Gasket85303212828 Frigidaire Refrigerator Primary Clip9WCI 0994866010SCREW11WCI 301832112WCI 301827113WCI 301827414WCI 301827716WCI 0659993217WCI 301826318SUPPORT (4)19WCI 09950875215305878546 Frigidaire Refrigerator Bumper-Basket22WCI 08000127235304496560 Frigidaire Refrigerator Cold Control Kit24WCI 0994864025WCI 0801188126WCI 0801633627RETAINER28WCI 0762699829WCI 0659955330GROMMET (4)31CLIP (3)32COMPRESSOR W/ ELECTRICALS33WCI 320569534WCI 320569435COVER36CLAMP37WCI 3018261385304455846 Frigidaire Refrigerator Clamp39WCI 0803785140WCI 08016799