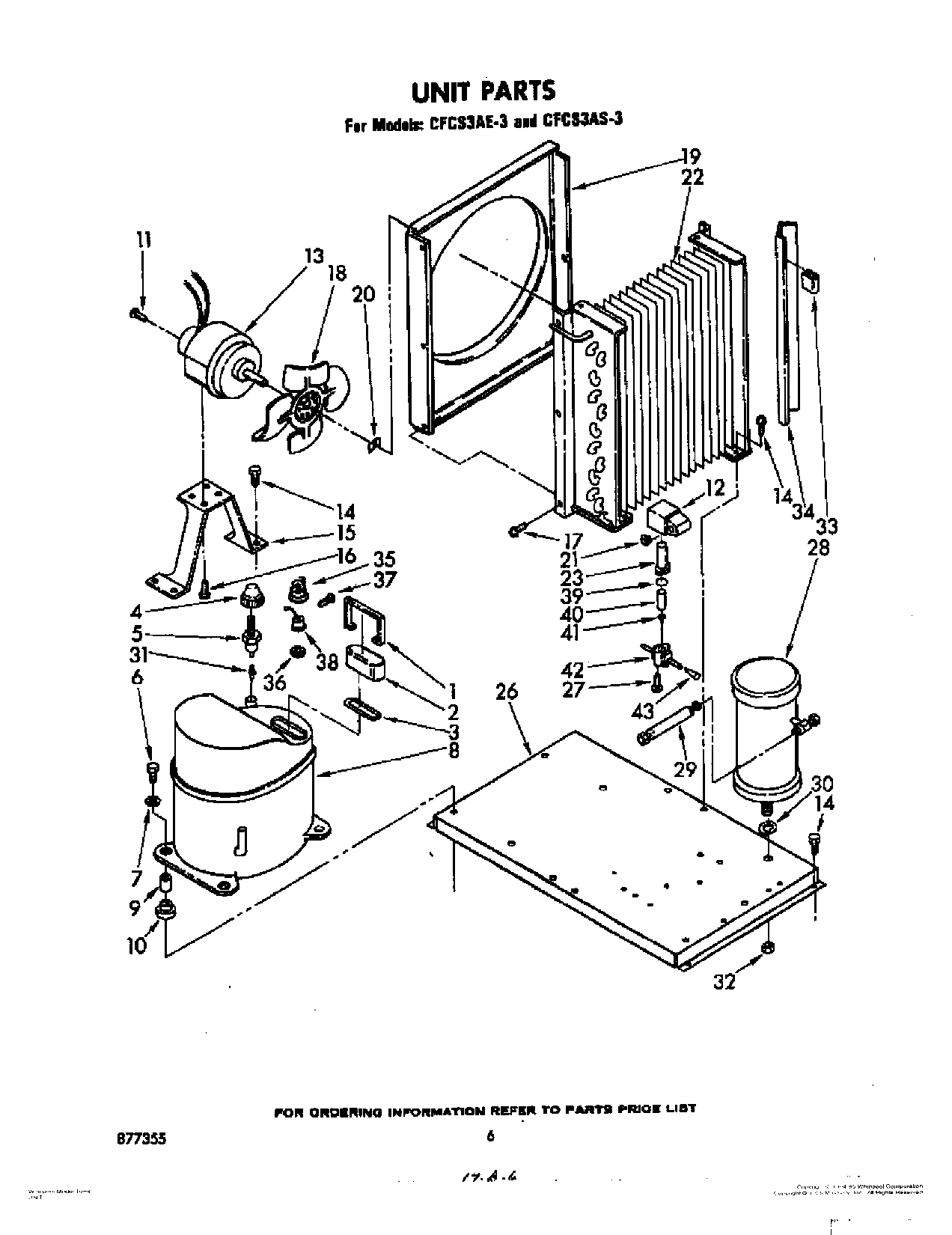
| 1 | Strap, Bale |
| 2 | Cover, Terminal |
| 3 | Gasket, Cover |
| 4 | Cap, Valve |
| 5 | Core, Valve |
| 6 | Screw |
| 7 | Washer, Flat (4) |
| 8 | Compressor, Service |
| 9 | Sleeve, Grommet (4) |
| 10 | Grommet (4) |
| 12 | Coil, Solenoid |
| 13 | Motor, Fan |
| 14 | Screw, 1/4-20 x 1/2 |
| 15 | Bracket, Fan Motor |
| 16 | Screw, 8-36 x 1/2 (Included W/Fan Motor) |
| 17 | WP90767 Whirlpool Screw |
| 18 | Blade, Fan |
| 19 | Shroud, Condenser |
| 20 | WP486692 Whirlpool Refrigerator Nut |
| 21 | Bushing, Snap |
| 22 | Condenser |
| 23 | Bonnet Assembly |
| 26 | Base, Unit |
| 27 | WP486579 Whirlpool Air Conditioner Screw |
| 28 | Receiver Assembly |
| 29 | Drier |
| 30 | Washer, Lock |
| 31 | Body, Valve |
| 32 | Nut (1) |
| 33 | Clip |
| 34 | Baffle, Condenser (L.S.) |
| 34 | Baffle, Condenser (R.S.) |
| 35 | Spring, Overload |
| 36 | Adapter, Overload |
| 37 | Screw, 6-32 x 1/4 |
| 38 | Overload |
| 39 | Seal, Bonnet |
| 40 | Plunger |
| 41 | Diaphragm |
| 42 | Body, Solenoid |
| 43 | Strainer |