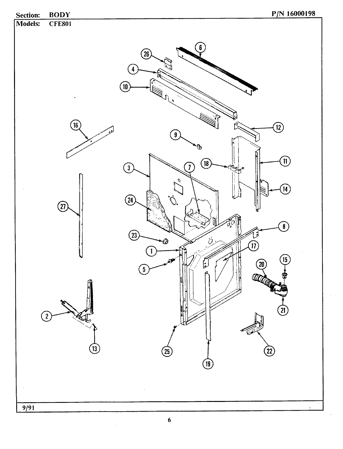
CFE801 01 – BODYadmin2025-04-26T08:59:11+00:00CFE801 01 – BODY ProductsPositionProduct1MAY 7103P045-601MAY 3601F161-801MAY 4009W084-801MAY 4009W083-801MAY 7103P040-601MAY 7107P017-602MAY 7106P029-603MAY 7101P061-603MAY 4002F103-804MAY 3802F071-604MAY 7118P004-605MAY 7403P105-606MAY 7706P009-607MAY 3605F163-808MAY 3807F194-809MAY 7111P002-6010MAY 3604F097-8011MAY 4011F051-5112MAY 4005F082-8013MAY 0400004014MAY 4005F361-5115MAY 8018P002-6015MAY 7109P002-6016MAY 3601F214-5117MAY 7803P057-6018MAY 7401P002-6019MAY 2618F072-8019MAY 2618F071-8020MAY 3414F066-5121MAY 7417P005-6022MAY 3801F218-5122MAY 7101P289-6023MAY 8008P019-6024MAY 4804F020-6025WP4159193 Whirlpool Screw26MAY 7706P281-6027MAY 7706P042-6027MAY 7101P154-60