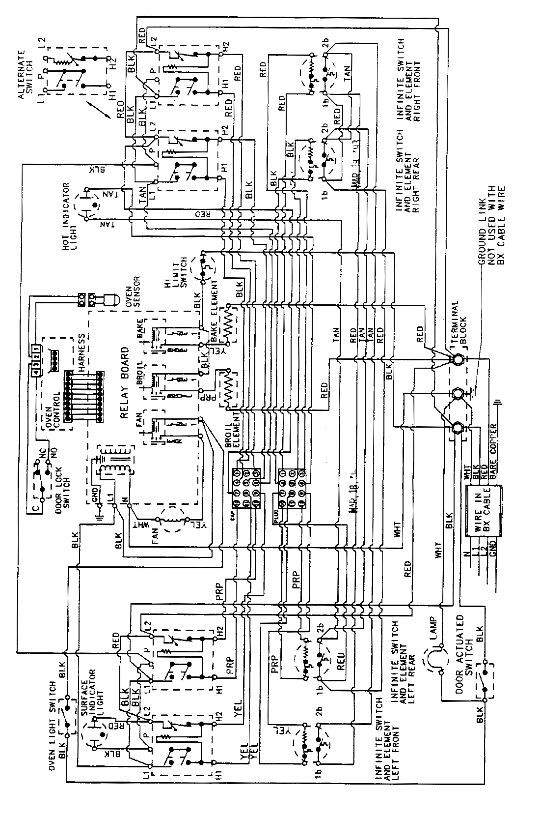
CFE9000ACB 06 – WIRING INFORMATIONadmin2025-04-26T09:00:24+00:00CFE9000ACB 06 – WIRING INFORMATION ProductsPositionProductNIMAY 15001261