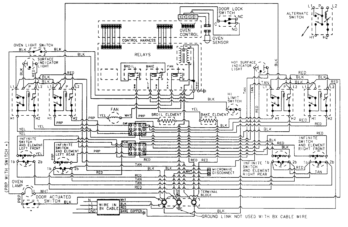
CFE9000BCB 07 – WIRING INFORMATIONadmin2025-04-26T08:59:12+00:00CFE9000BCB 07 – WIRING INFORMATION ProductsPositionProductNIMAY 15001408