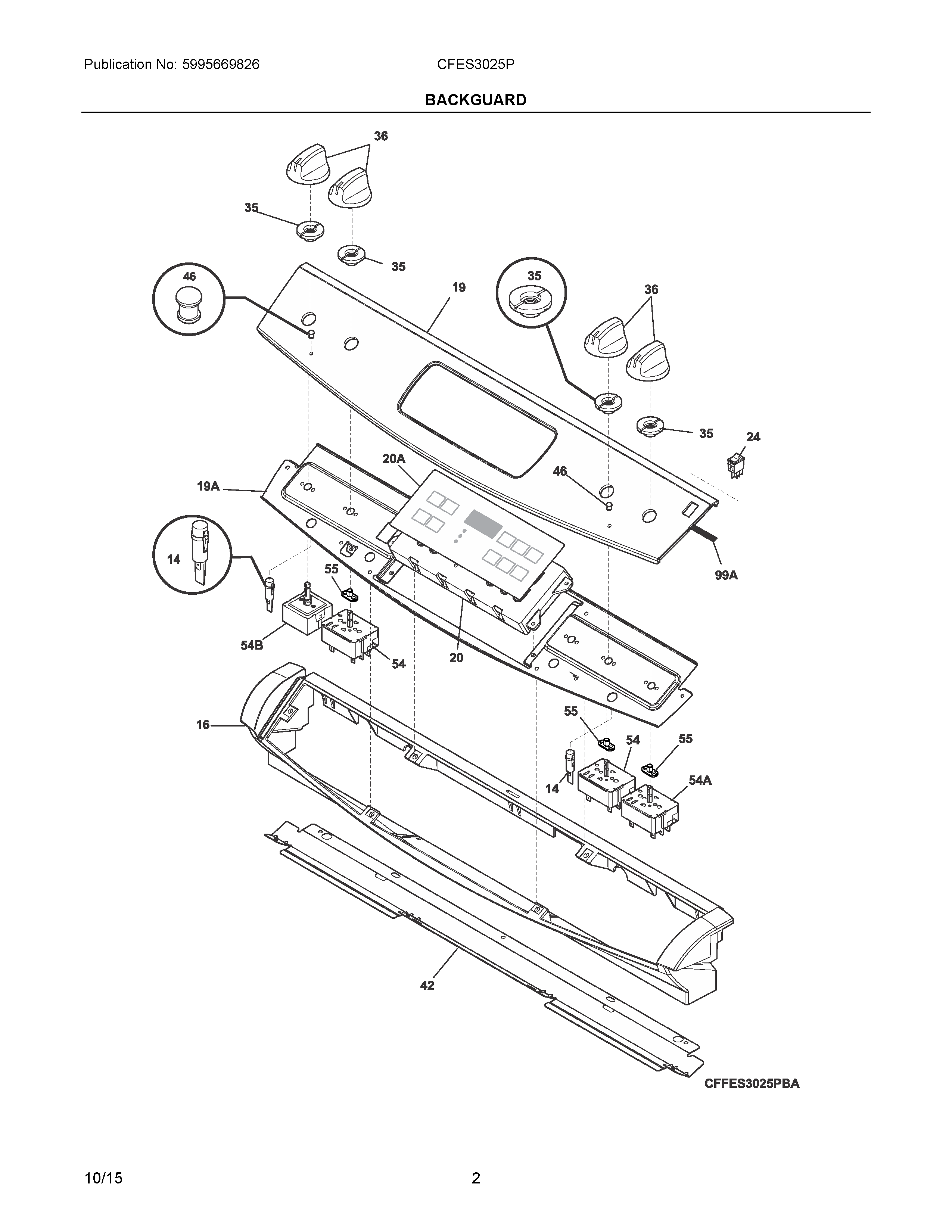
CFES3025PBF 02 – BACKGUARD