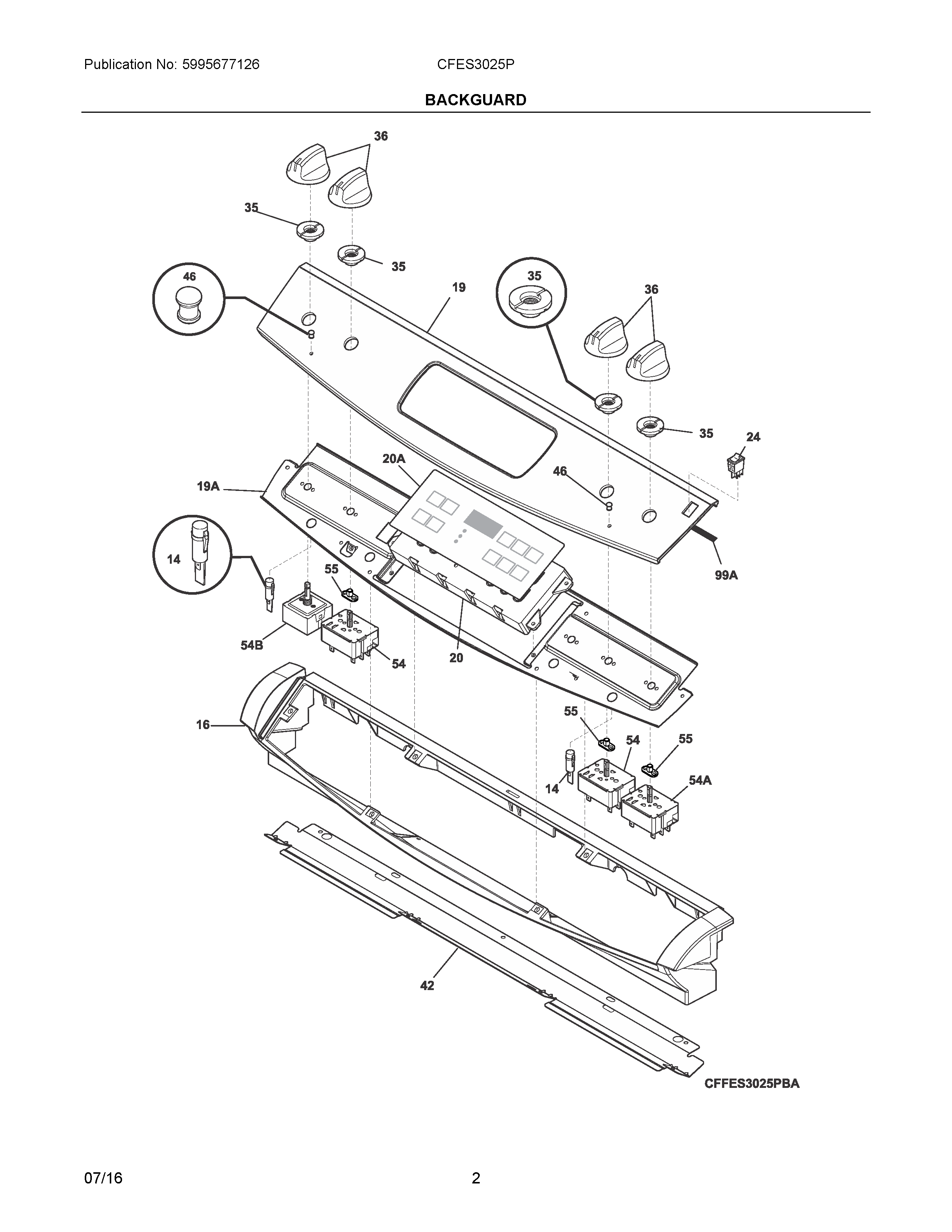
CFES3025PBG 02 – BACKGUARD