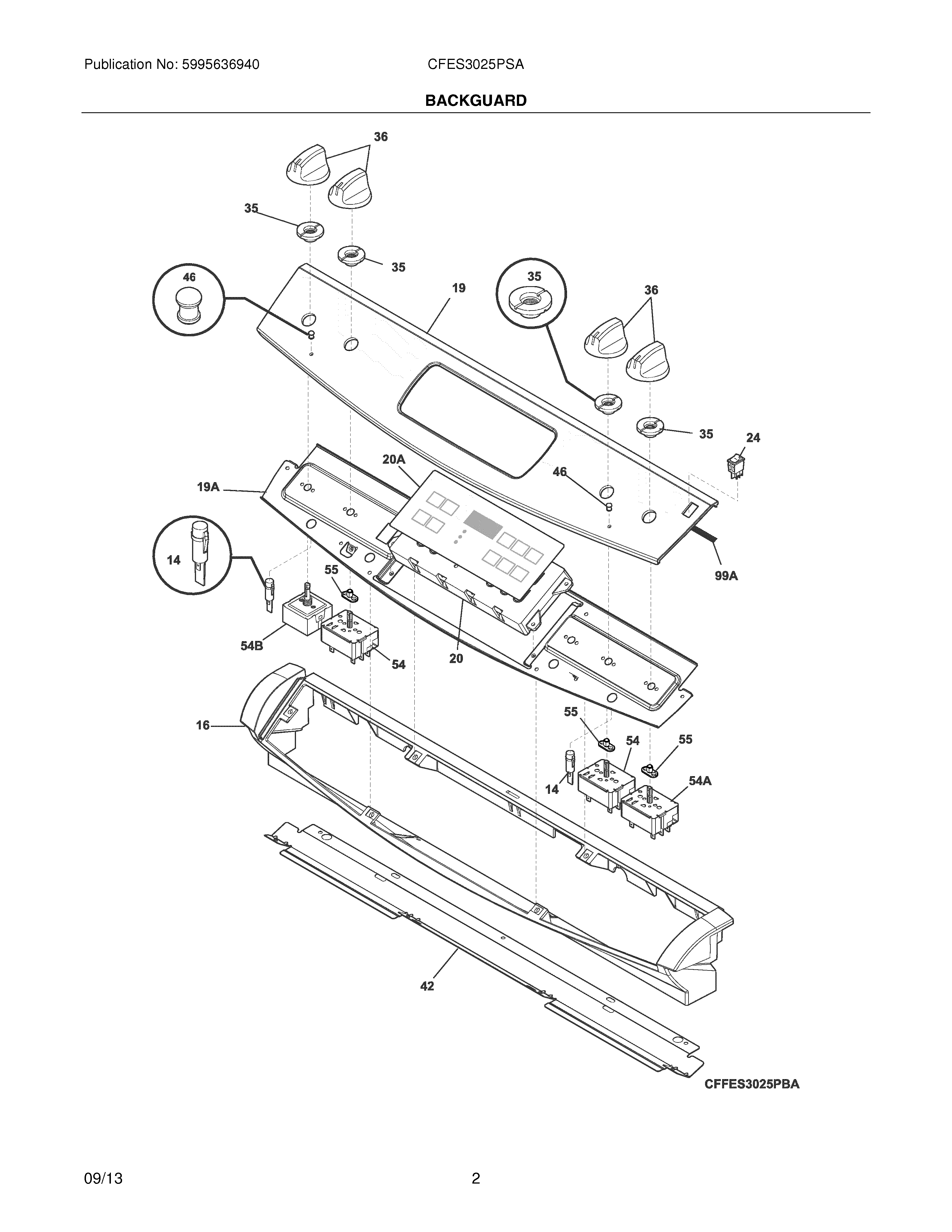
CFES3025PSA 03 – BACKGUARD