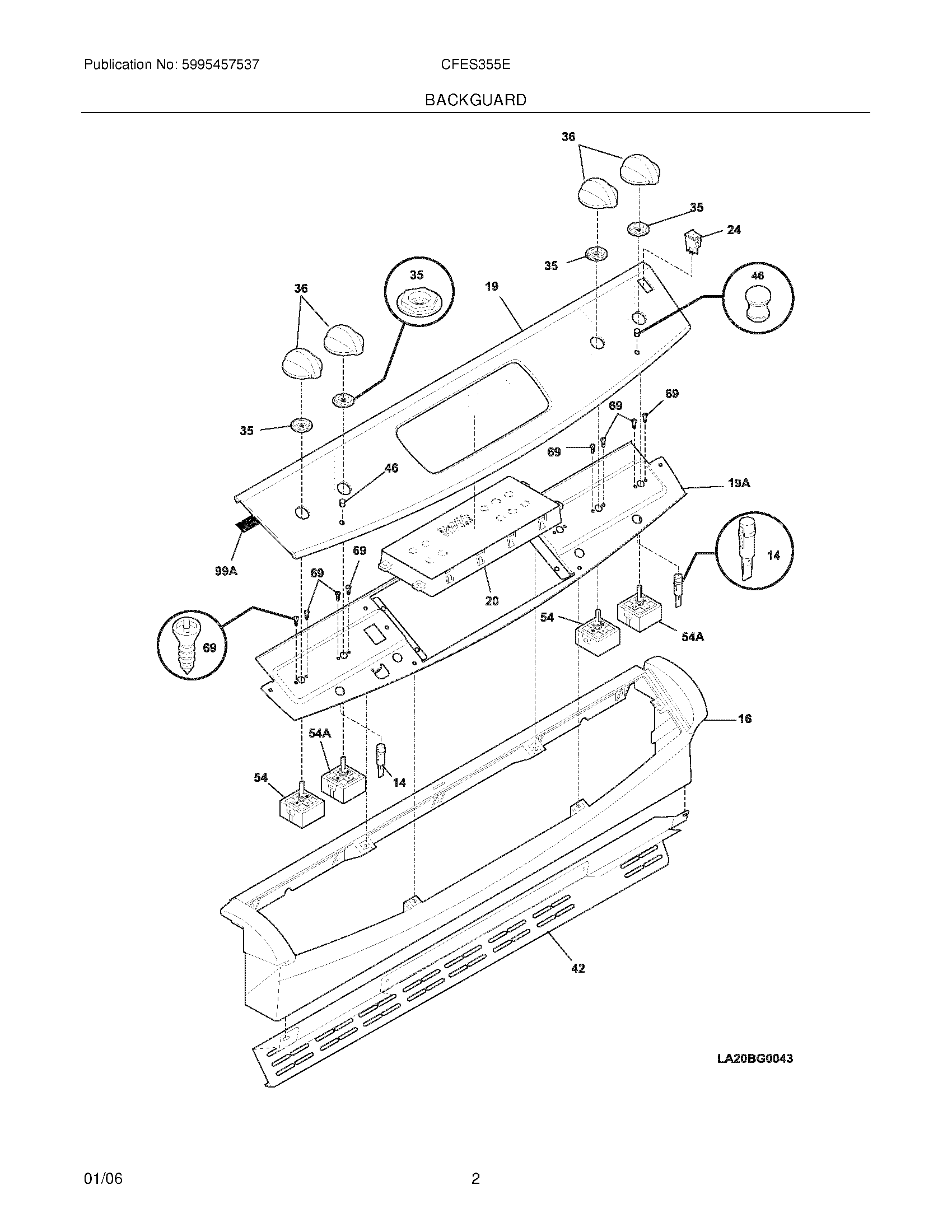
CFES355EB2 03 – BACKGUARDadmin2025-04-26T08:50:19+00:00CFES355EB2 03 – BACKGUARD ProductsPositionProductNI5303300265 Frigidaire Oven ScrewNIWCI 318301100NIWCI 5304447071NI316419141 Frigidaire Oven OverlayNI5304453707 Frigidaire Oven ScrewNIWCI 318224812NISCREW,TRUSS HEAD,8-18 X 0.375NIWCI 31822481514WCI 31829390016WCI 31829910219AWCI 31822440119WCI 31823518820WCI 318185457245304527841 Frigidaire Oven Rocker Switch (Black)35WCI 31818310036WCI 31622302742WCI 31829801146WCI 31822830054A903136-9020 Frigidaire Oven Range Surface Burner Infinite Switch54SM SURFACE UNIT SWITCH695303288565 Frigidaire Screw99A318223900 Frigidaire Oven Gasket