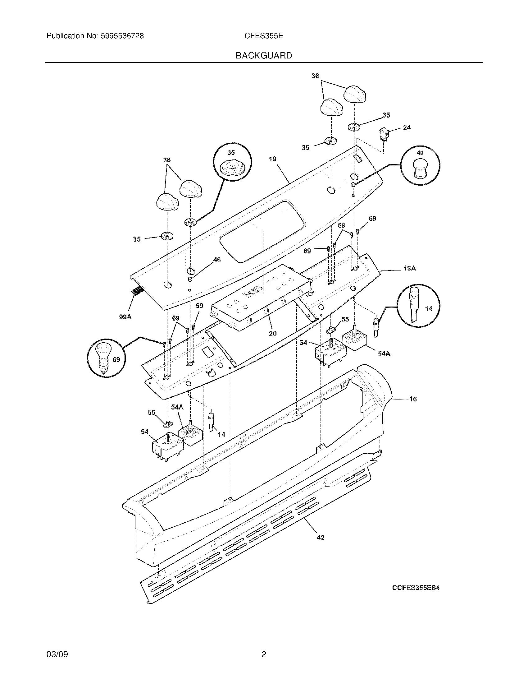
CFES355EB4 03 – BACKGUARDadmin2025-04-26T08:49:34+00:00CFES355EB4 03 – BACKGUARD ProductsPositionProductNI5303300265 Frigidaire Oven ScrewNIWCI 5304447071NI316419141 Frigidaire Oven OverlayNIWCI 318224812NI5304453707 Frigidaire Oven ScrewNIWCI 318228866NISCREW,TRUSS HEAD,8-18 X 0.37514WCI 31829390116WCI 31829910219AWCI 31822440119WCI 31823518820WCI 318185457245304527841 Frigidaire Oven Rocker Switch (Black)35WCI 31818310036WCI 31622302742WCI 31829801146WCI 31822830154AWCI 31812052154318293830 Frigidaire Oven Switch55318402901 Frigidaire Oven Bushing695303288565 Frigidaire Screw99A318223900 Frigidaire Oven Gasket