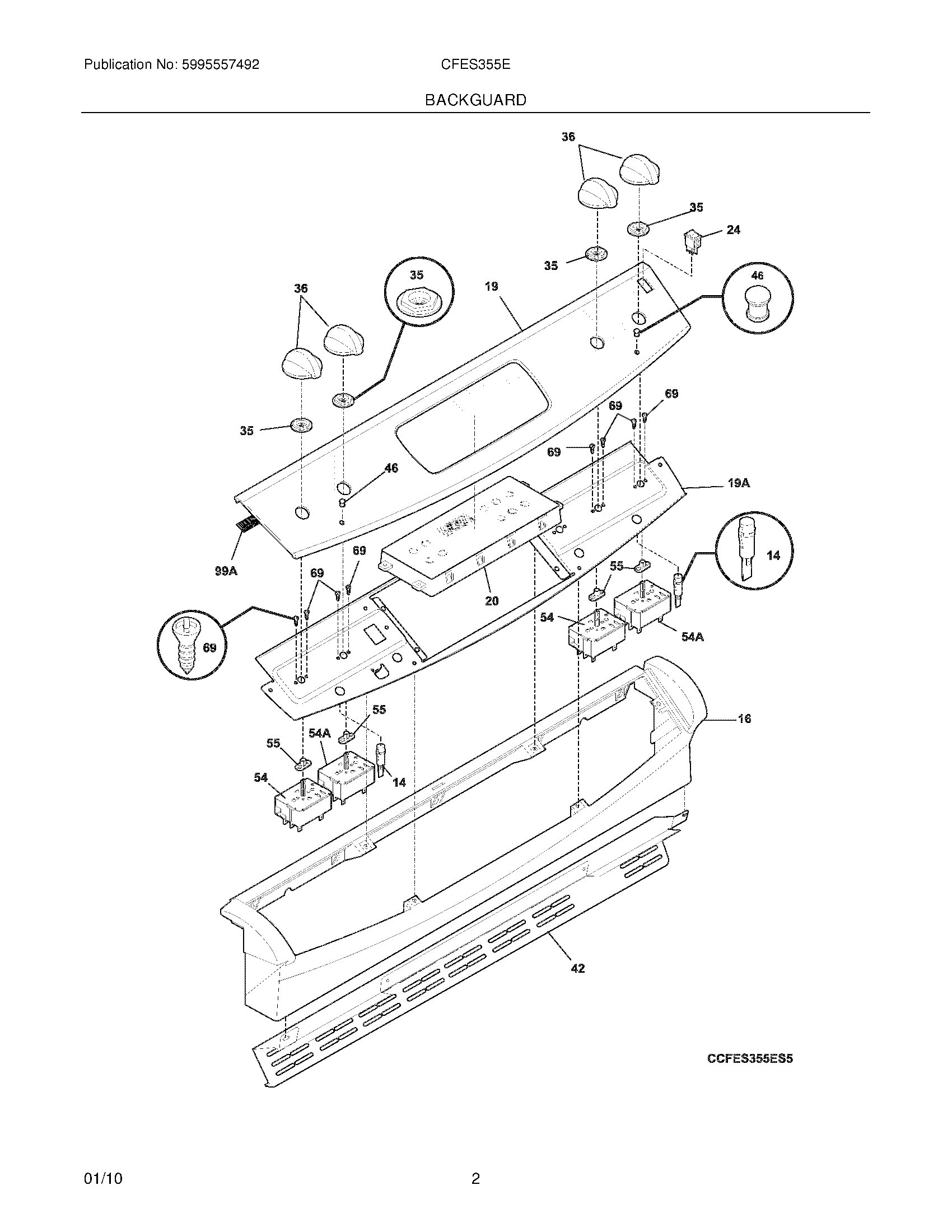
CFES355ES6 03 – BACKGUARDadmin2025-04-26T08:49:46+00:00CFES355ES6 03 – BACKGUARD ProductsPositionProductNI5303300265 Frigidaire Oven ScrewNI316419137 Frigidaire Oven OverlayNIWCI 318228866NIWCI 318224859NI5304453707 Frigidaire Oven ScrewNISCREW,TRUSS HEAD,8-18 X 0.375NIWCI 530444707114WCI 31829390116WCI 31829910019WCI 31823518719AWCI 31822440120WCI 318414216245304527842 Frigidaire Rocker Switch35WCI 31818310036316223028 Frigidaire Oven Knob42WCI 31829801146WCI 31822830154318293830 Frigidaire Oven Switch54A318293831 Frigidaire Range Surface Element Switch55318402901 Frigidaire Oven Bushing695303288565 Frigidaire Screw99A318223900 Frigidaire Oven Gasket