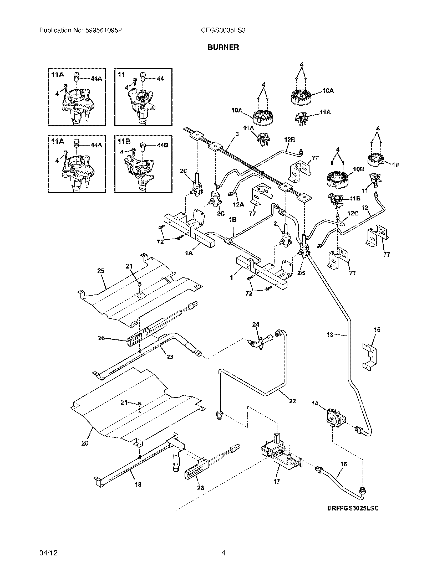
CFGS3035LS3 05 – BURNER