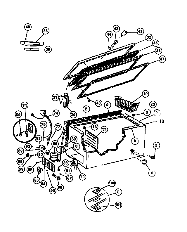
CFS18LL6 02 – DOOR, CABINET, & UNITadmin2025-04-26T08:49:53+00:00CFS18LL6 02 – DOOR, CABINET, & UNIT ProductsPositionProduct2WCI 53003001713PLUG, DRAIN, LINER4WCI 53065999325WCI 065940536GROMMET-CONTROL TUBE7WCI 53032112219BREAKER REAR10WCI 530321122217WCI 21603460018WCI 530659458419BASKET20HANDLE BASKET-YELLOW29297321900 Frigidaire Refrigerator Hinge Assembly31WCI 530995060232WCI 21603210133WCI 309142838WCI 530995005439WCI 0801360240WCI 530994864742297147700 Frigidaire Freezer Plastic Door Key43WCI 530392510744WCI 530030079146WCI 530012890147WCI 5303091429485303212828 Frigidaire Refrigerator Primary Clip74WCI 530321262976216036601 Frigidaire Refrigerator Screw775303212614 Frigidaire Refrigerator Clip795304496560 Frigidaire Refrigerator Cold Control Kit805303305677 Frigidaire Replacement Filter Dryer Filters81218513300 Frigidaire Refrigerator Compressor Mount Grommet83CLIP, SPRING MTG84ACCESS PANEL-ALMOND85KNOB CONTROL86WCI 530321261587SCREW-COMPRESOR,IND HEX WSHR HD ,10-32T X 1/2,SUPPORT88COMPRESSOR WITH ELECTRICALS89WCI 530301775390WCI 5308037789935303006412 Frigidaire Refrigerator Cover Mounting Strap95216858001 Frigidaire Refrigerator Screw96WCI F12895898CAPACITOR99WCI 5303280303100LATCH CATCH101LATCH CATCH SUPPORT