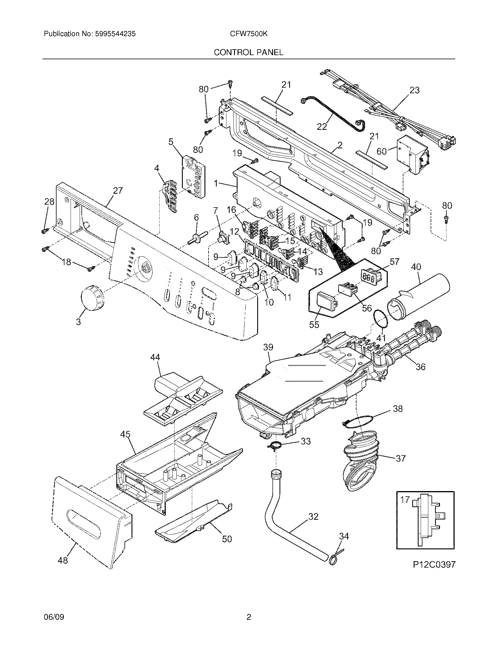
CFW7500KW0 03 – CONTROL PANEL