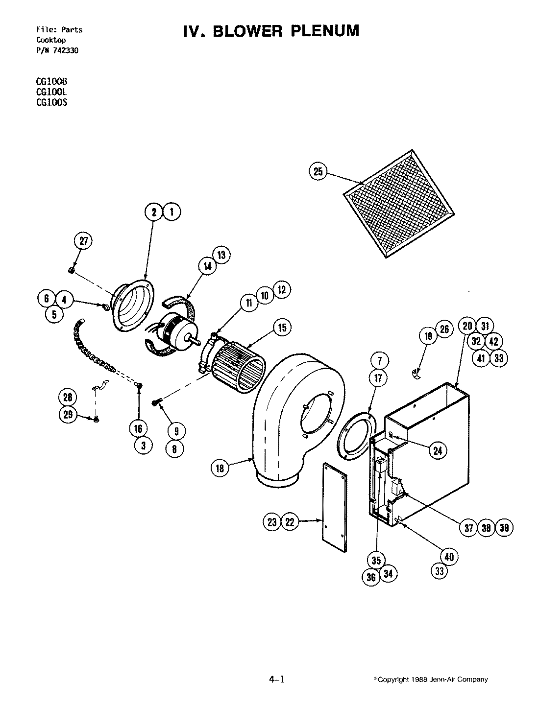
CG100B 01 – BLOWER PLENUMadmin2025-04-26T08:58:46+00:00CG100B 01 – BLOWER PLENUM ProductsPositionProductNIMAY 701958NIMAY 7045541MAY 7000272MAY 7088633MAY 7077534MAY 7077665MAY 7157806MAY Y7073357MAY 7028898MAY 7071619MAY Y70740210MAY Y70892612MAY Y70739313MAY Y70770414MAY Y71595715WPY707985 Whirlpool Wheel Assembly16MAY 70818517MAY Y70229618MAY 71200819MAY Y70768820MAY 71231222MAY 70454724MAY Y70083425WP707929 Whirlpool Grease Filter26WPY707702 Whirlpool Locknut27MAY 71231028MAY Y70137929MAY Y70202931MAY Y70873332MAY 70454833MAY Y70055634MAY Y70454135MAY Y70717236MAY Y70454037M0282005 Whirlpool Nut38MAY Y70715039MAY 70454240MAY Y70774541MAY 704380