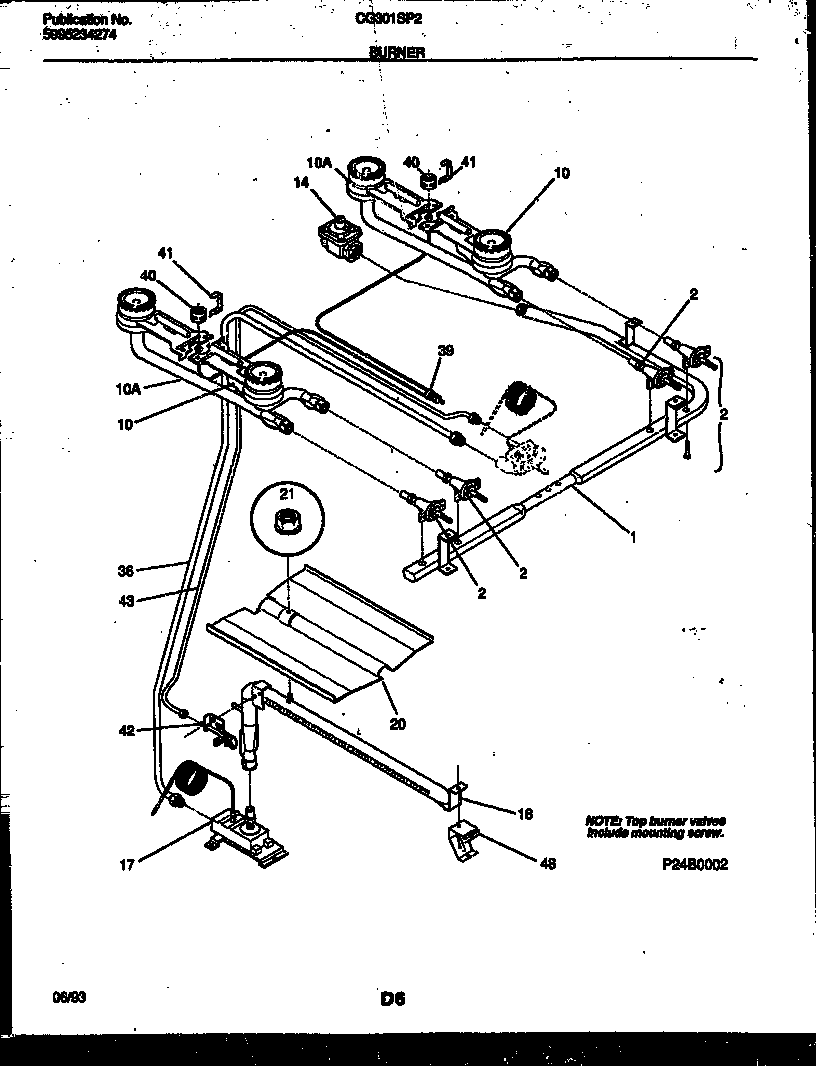
CG301SP2D2 03 – BURNER PARTSadmin2025-04-26T08:43:18+00:00CG301SP2D2 03 – BURNER PARTS ProductsPositionProduct1WCI 53032805882VALVE-TOP BURNER, 2 POSITION, (4), W/SCREWS10A5304506426 Frigidaire Oven Top Rear Burner105304506427 Frigidaire Oven Range Surface Burner (White)14WCI 530301699717WCI 530328059318WCI 530328058520WCI 3203265215303013272 Frigidaire Oven Nut36TUBE - ALUM THERMO/SAFETY W/ FIT39TUBING-TOP PILOT, DUAL40CAP-TOP PILOT, (2)41SHIELD-PILOT, STAINLESS STEEL, (2)42WCI 530328058943Tubing`thermo/pilot `3/16 ,alum48WCI 3018603