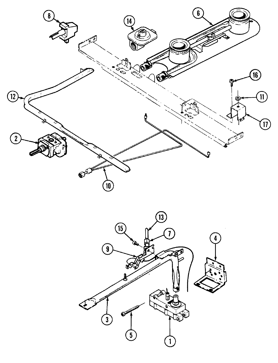
CG3100PPW 02 – CONTROL SYSTEMadmin2025-04-26T08:58:52+00:00CG3100PPW 02 – CONTROL SYSTEM ProductsPositionProduct1MAY 7501P111-601MAY 3414F094-441MAY 15552512MAY 7101P010-602MAY 7515P032-602MAY 15552793MAY 3403D023-454MAY 3801F328-455SCREW No.10 X 26MAY 3412A004-197MAY 1555261K8MAY 7101P044-608MAY 7502P174-609MAY 7432P068-6010MAY 7505P193-6011MAY 7103P070-6012MAY 7513P132-6013MAY 3414F108-4414MAY 7510P002-6015WP4159193 Whirlpool Screw16MAY 7118P015-6017MAY 3807F024-34