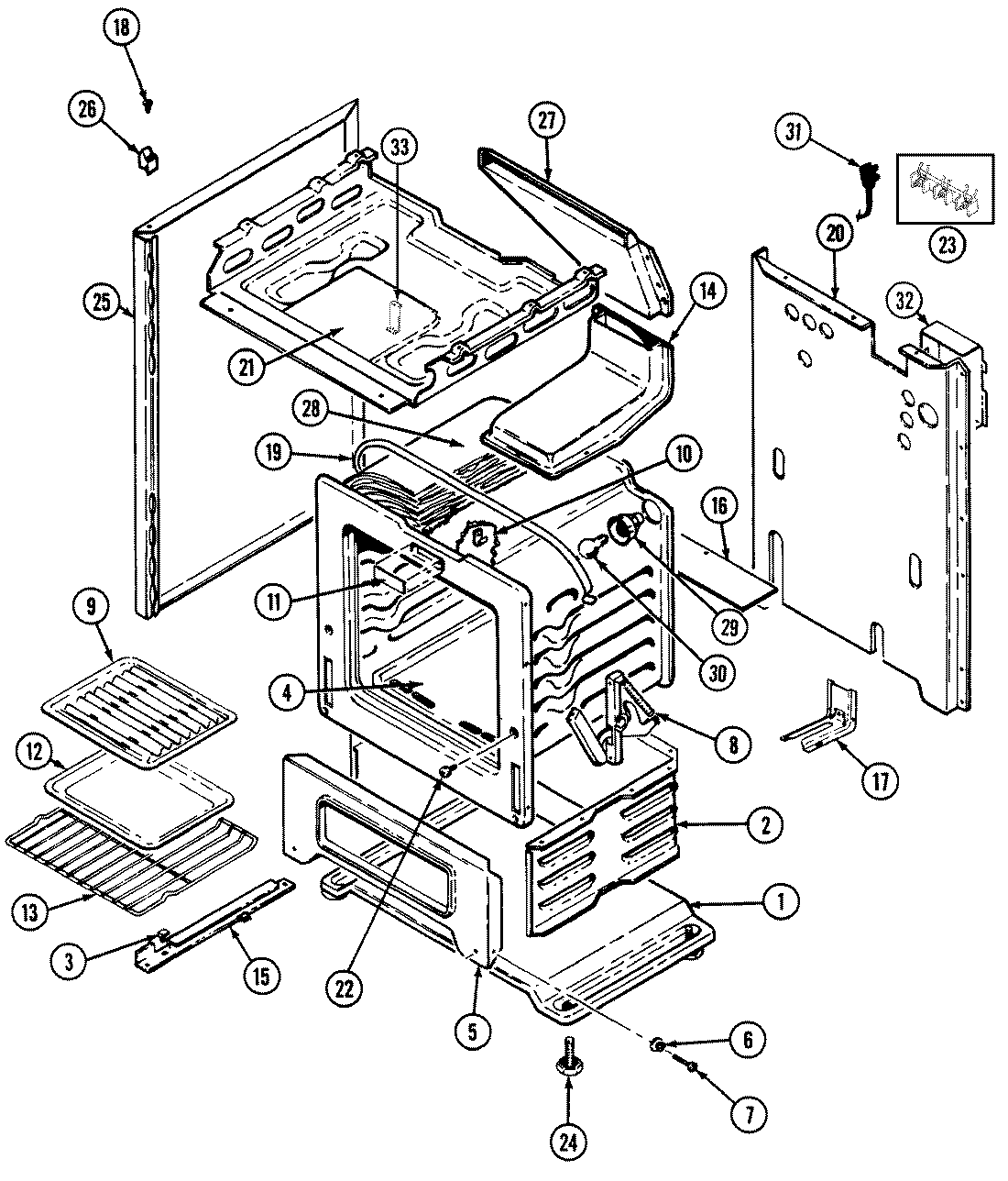
CG3177VUV 01 – BODY