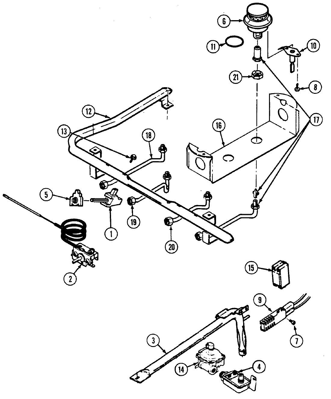
CG3177XUA 04 – GAS CONTROLSadmin2025-04-26T09:31:40+00:00CG3177XUA 04 – GAS CONTROLS ProductsPositionProduct1MAY 7502P250-602MAY 7404P087-602MAY 7101P280-603MAY 3403D023-454MAY 4005F433-514MAY 7501P099-605WP7403P279-60 Whirlpool Igniter Switch6MAY 3412D018-097WP3351614 Whirlpool Screw8MAY 7101P315-609MAY 7432P076-6010NOT REQUIRED PART OR SEE NOTE FUSE (NOT REQUIRED)11MAY 7201P050-6012MAY 7103P130-6012MAY 7513P120-6012MAY 3414F104-4413MAY 7101P044-6014MAY 7510P050-6015MAY 7431P024-6015MAY 3807F432-4516MAY 3807F451-4517MAY 7507P085-6018MAY 7507P113-6019MAY 7507P084-6020MAY 7507P091-6021MAY 7103P119-6021MAY 5125A312-6021MAY 5195D078-6021MAY 5140D038-60