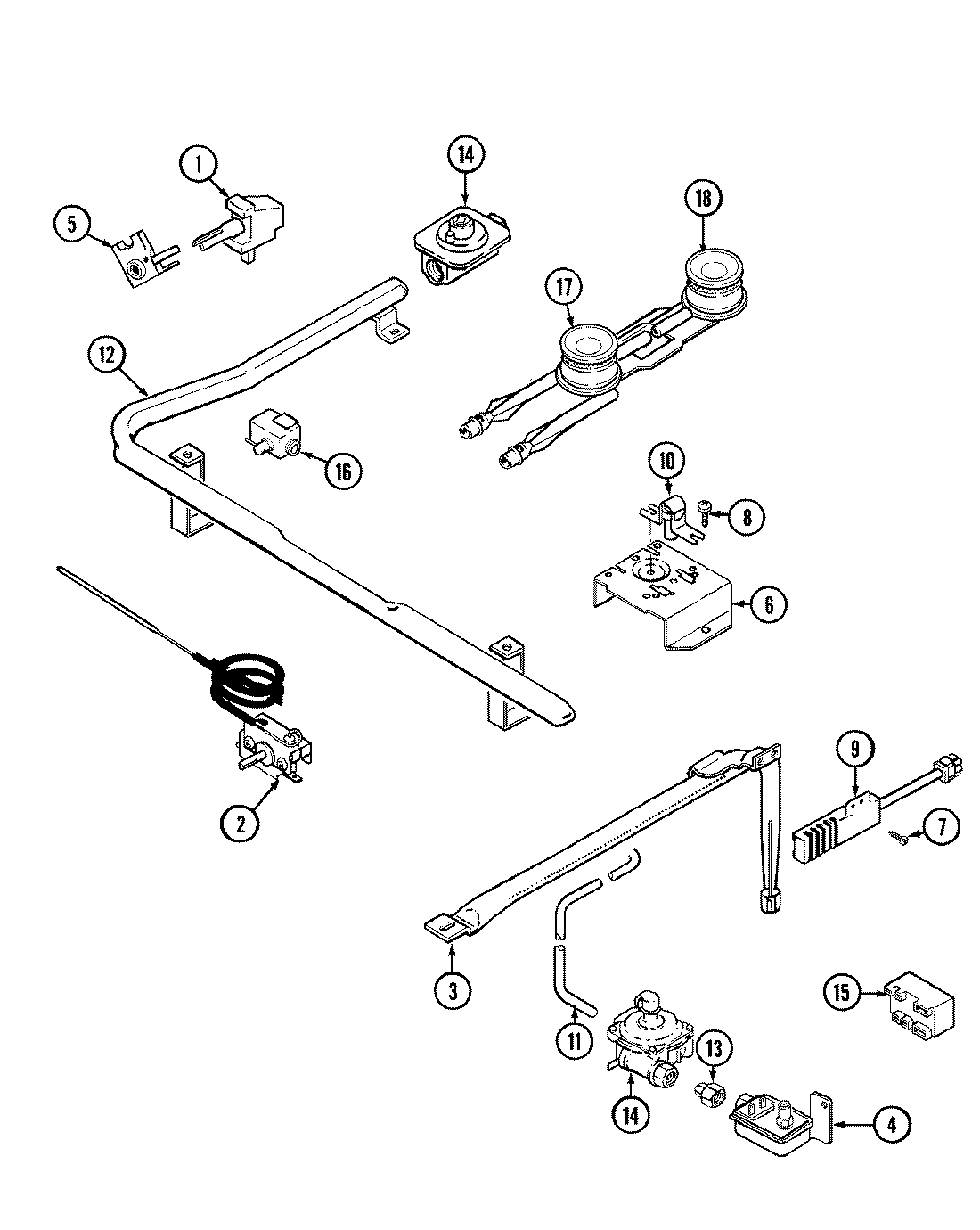
CG3231XRA 03 – GAS CONTROLSadmin2025-04-26T09:32:15+00:00CG3231XRA 03 – GAS CONTROLS ProductsPositionProduct1MAY 7101P044-601MAY 7502P174-602MAY 7404P084-602MAY 7101P280-602MAY 3604F177-513MAY 3403D023-454MAY 4005F334-514MAY 7501P099-604MAY 4005F433-514MAY 7501P144-605MAY 7403P284-606MAY 3412A004-197SCREW (10-24X5/16-NI)8MAY 7118P015-609MAY 7432P067-6010MAY 7432P031-6010MAY 7432P008-6011MAY 3414F104-4411MAY 3414F114-4412MAY 7103P130-6012MAY 7513P105-6012MAY 7513P159-6013MAY 7502P002-6014MAY 7510P050-6014MAY 7510P049-6015MAY 7431P006-6015MAY 5195D078-6015MAY 3807F432-4515MAY 5125A312-60