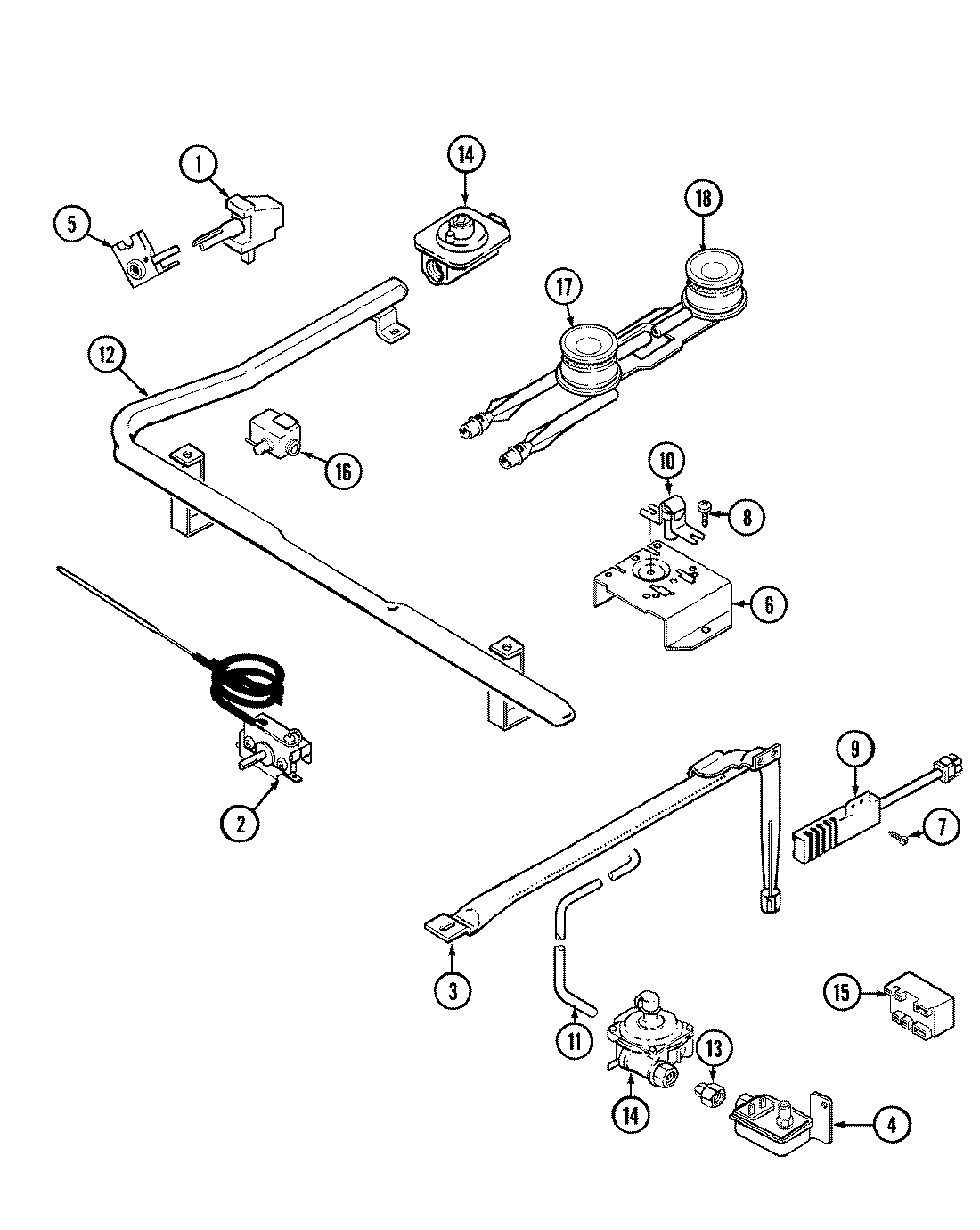
CG3231XRW 03 – GAS CONTROLS