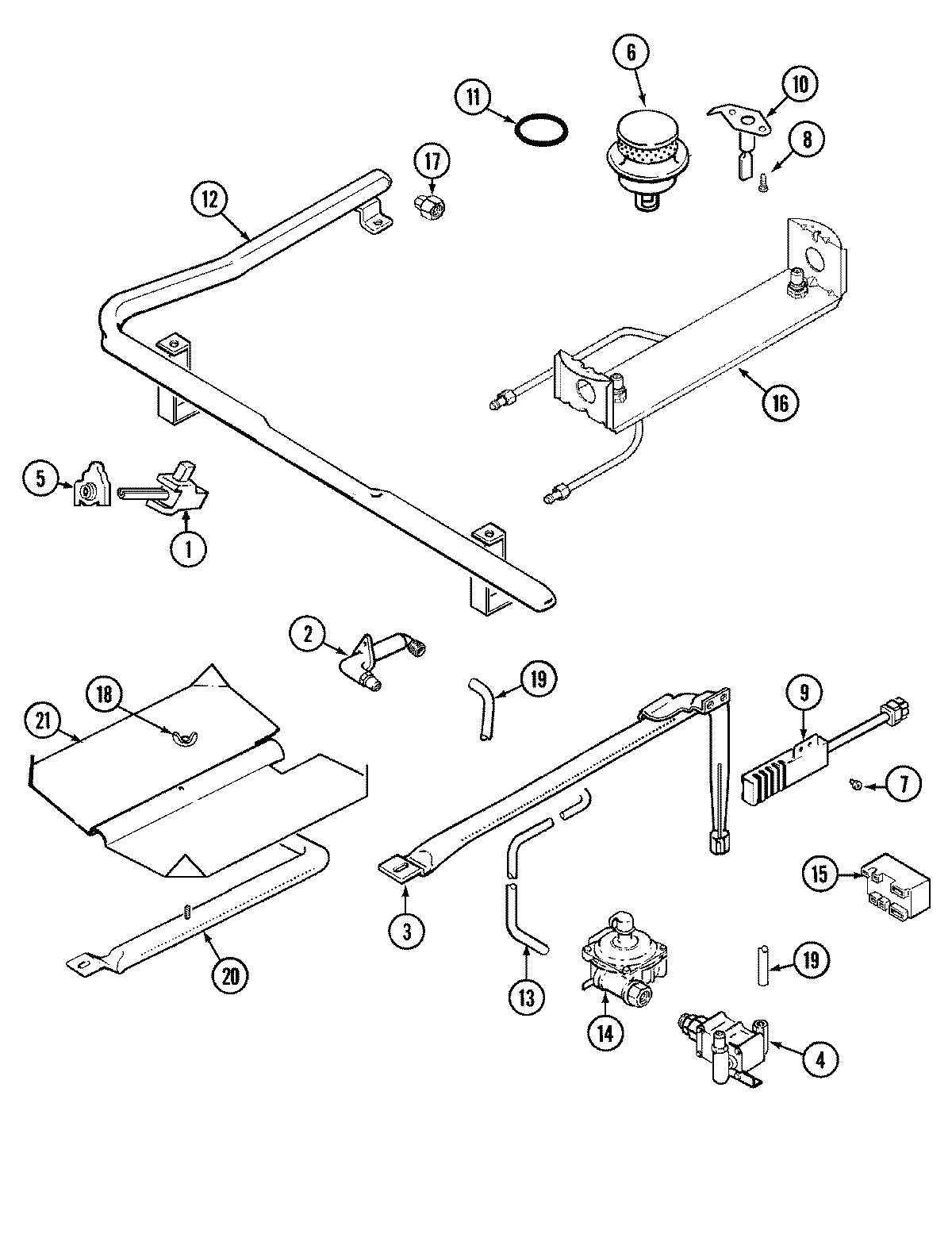
CG34300ADW 04 – GAS CONTROLS