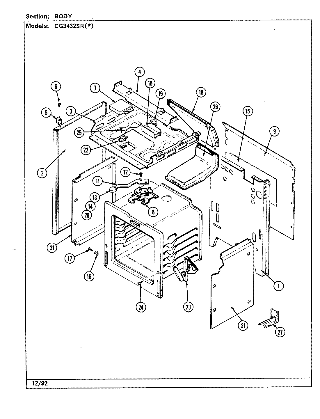
CG3432SRA 01 – BODY