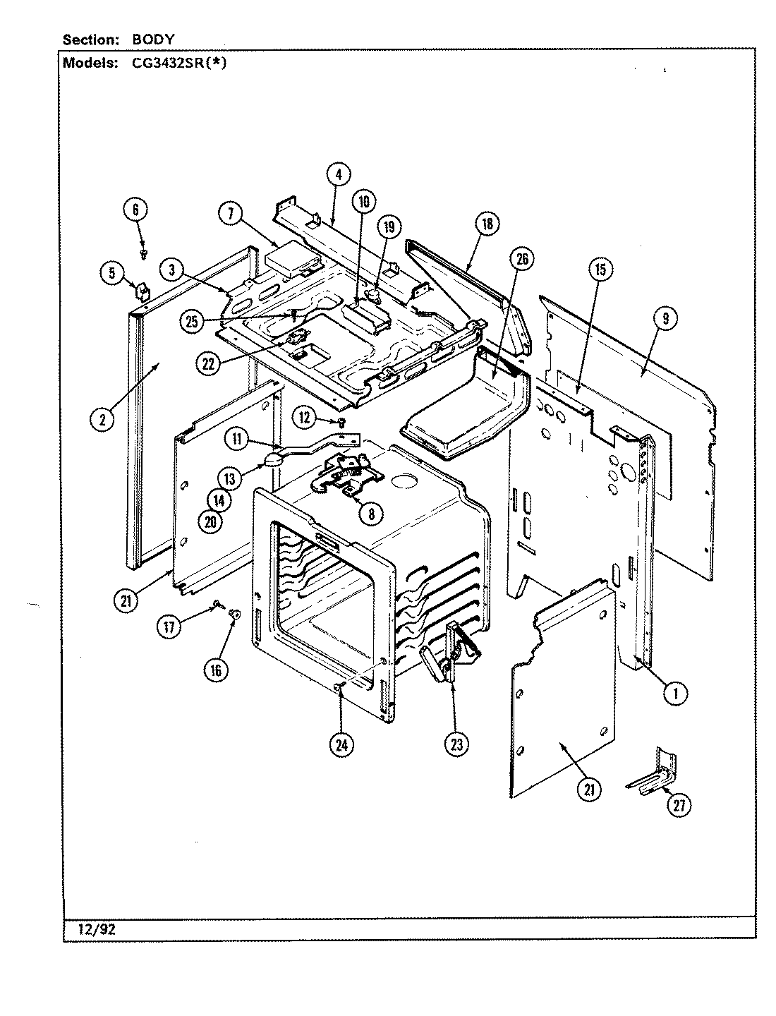
CG3432SRW 01 – BODYadmin2025-04-26T09:31:53+00:00CG3432SRW 01 – BODY ProductsPositionProduct1MAY 4002F179-802MAY 2618F110-742MAY 2618F085-713MAY 4011F210-803MAY 4011F250-804MAY 3807F411-515SPACER, MAIN TOP (RT)5SPACER, MAIN TOP (LT)6MAY 7118P013-607MAY 4005F347-518MAY 8002P024-608MAY 7101P290-608MAY 4804F028-609MAY 4005F331-5110MAY 3807F420-5110MAY 7101P076-6011MAY 7109P015-6011MAY 8009P015-6012SCREW, LEVER13MAY 7701P088-6014MAY 7101P289-6014MAY 3801F218-5115MAY 3604F165-5116MAY 8004P024-6017MAY 7101P300-6018MAY 4022W005-1919MAY 7403P275-6020MAY 7112P003-6021MAY 3804F103-5122MAY 7403P228-6022MAY 3801F267-4522MAY 7403P361-6023MAY 7106P032-6024SCREW, HINGE25MAY 7101P031-6026MAY 4006W113-45