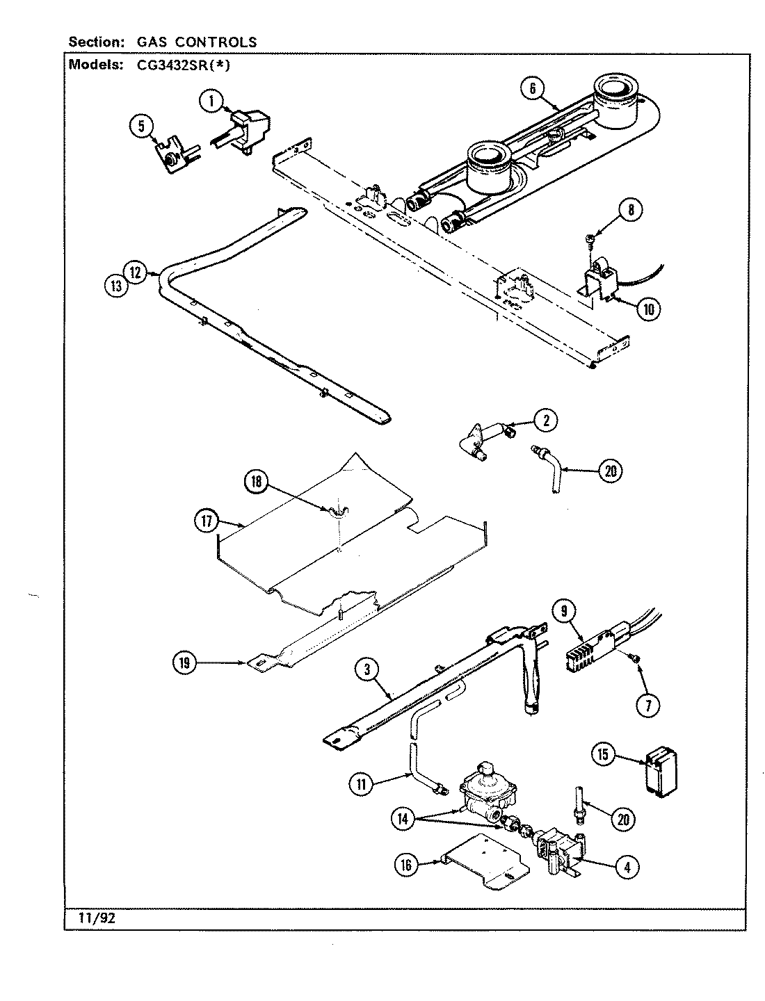
CG3432XRW 04 – GAS CONTROLSadmin2025-04-26T09:33:21+00:00CG3432XRW 04 – GAS CONTROLS ProductsPositionProduct1MAY 7101P044-601MAY 7502P174-602MAY 7507P088-602MAY 3605F186-453MAY 3403D043-453MAY 3807F446-454WP74006427 Whirlpool Oven Valve5MAY 7403P284-606MAY 3412A004-197SCREW (10-24X5/16-NI)8MAY 7118P015-609MAY 7432P076-6010MAY 7432P031-6010MAY 7432P008-6011MAY 3414F103-4412MAY 7513P105-6013MAY 7103P130-6014MAY 7101P290-6014MAY 7510P050-6015MAY 7431P006-6015MAY 3807F432-4516MAY 8020P007-6017MAY 3601F217-4518NUT, WING19MAY 3403D024-4520MAY 3414F102-4420MAY 5125A312-60