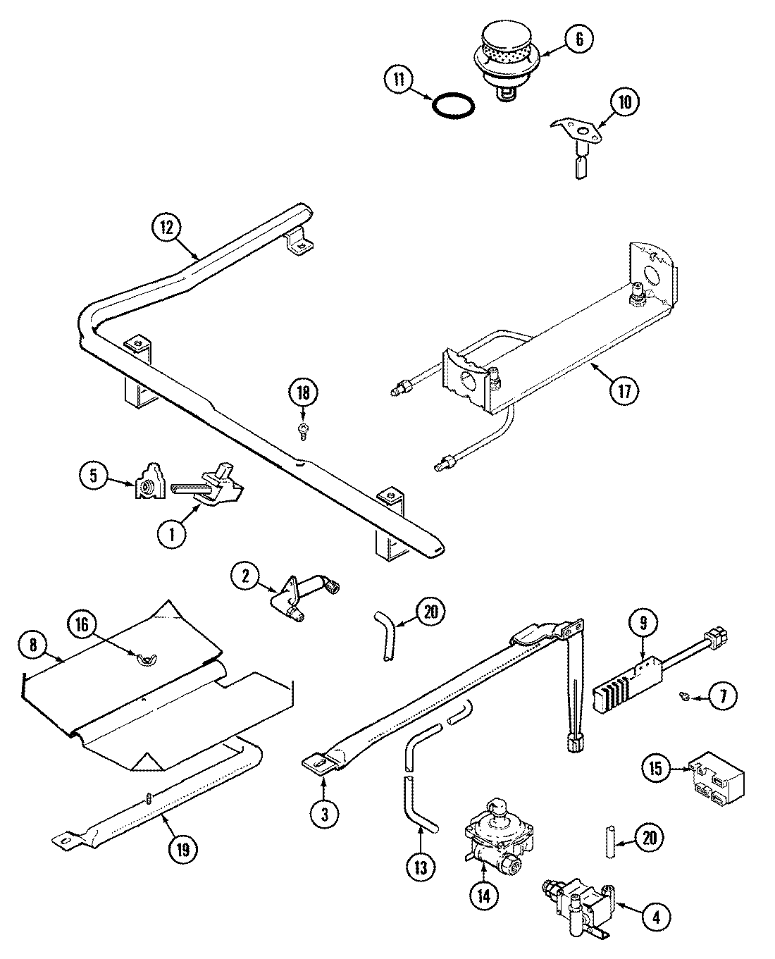
CG3438SRA 04 – GAS CONTROLSadmin2025-04-26T09:32:44+00:00CG3438SRA 04 – GAS CONTROLS ProductsPositionProductNINOT REQUIRED PART OR SEE NOTE FUSE (NOT REQUIRED)NIMAY 5140D035-60NIMAY 5125A312-601MAY 7502P219-602MAY 7507P088-602MAY 3605F186-453MAY 3403D043-453MAY 3807F446-454WP74006427 Whirlpool Oven Valve5MAY 7403P284-606MAY 3412D018-097WP3351614 Whirlpool Screw8MAY 3601F217-479MAY 4005F421-459MAY 7432P076-6010MAY 7101P315-6011MAY 7201P050-6012MAY 7513P120-6013MAY 7103P130-6013MAY 3414F103-4414WP74006429 Whirlpool Regulator15SCREW15MAY 7431P027-6015MAY 7400328815MAY 3807F473-5116NUT, WING17MAY 5187D025-6017MAY 7101P343-6018MAY 7101P044-6019MAY 3403D024-4520MAY 1555258K20MAY 3414F102-44