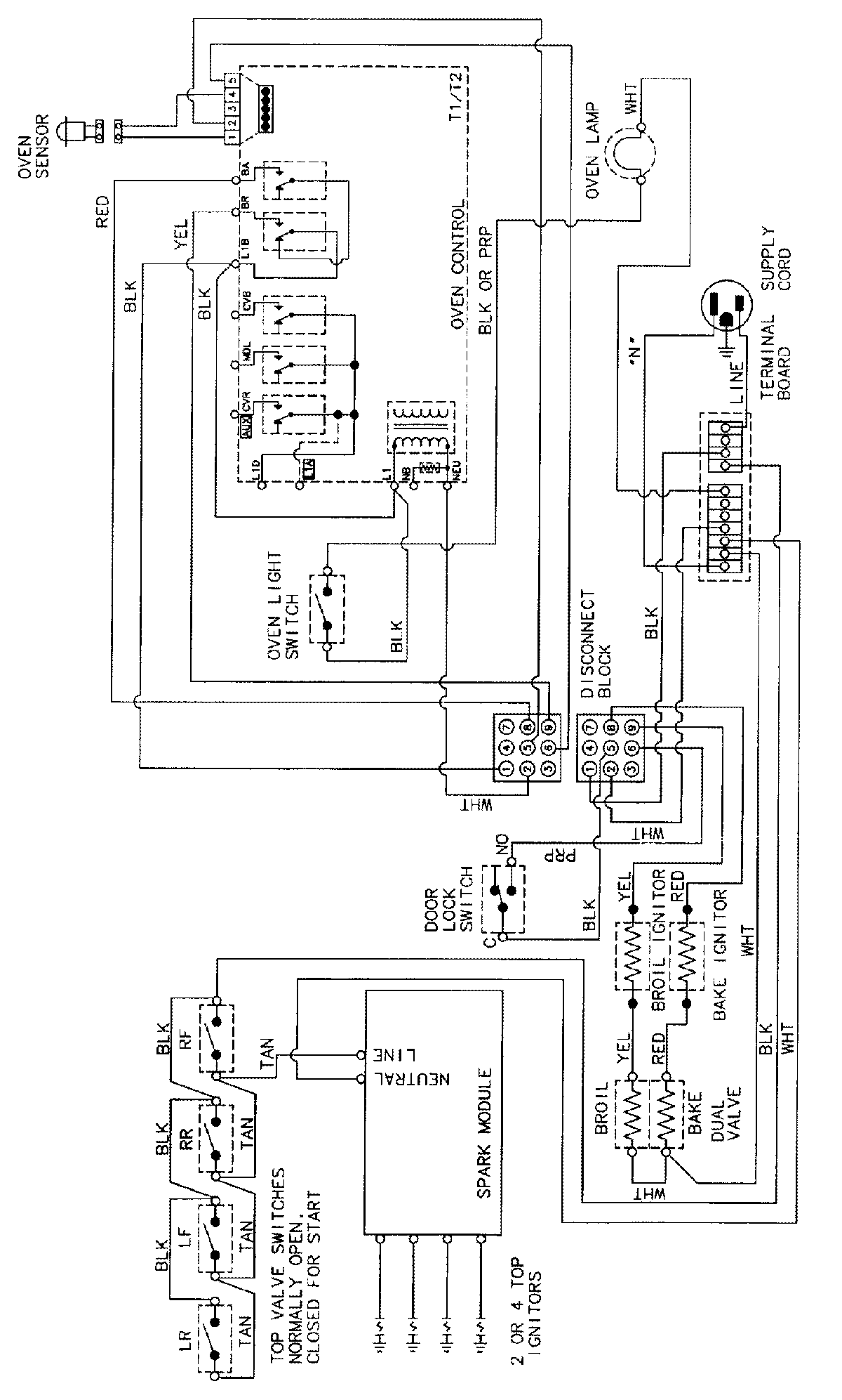
CG34700ADD 07 – WIRING INFORMATIONadmin2025-04-26T09:34:51+00:00CG34700ADD 07 – WIRING INFORMATION ProductsPositionProductNIMAY 15002243