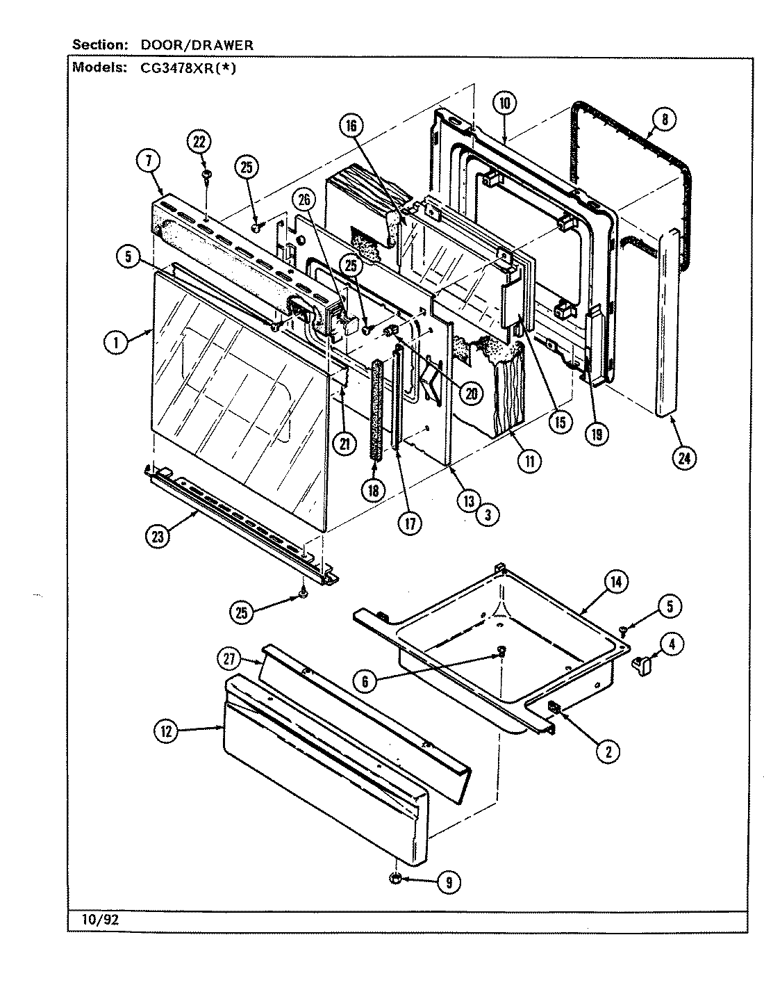
CG3478XRW 03 – DOOR/DRAWERadmin2025-04-26T09:34:55+00:00CG3478XRW 03 – DOOR/DRAWER ProductsPositionProduct1MAY 7902P321-602MAY 8010P086-603MAY 8010P085-604WP8004P026-60 Whirlpool Support5MAY 7101P291-606WP4159193 Whirlpool Screw7MAY 7701P103-608GASKT-DOOR OVEN9WPW10131078 Whirlpool Nut Assembly10MAY 2402W202-1911MAY 4804F012-6012MAY 2416F038-6412MAY 2416F038-6213MAY 3601F232-4514MAY 3405F014-8015LINING, DRAWER PANEL16MAY 7907P014-6017MAY 3818F052-5118MAY 7208P002-6019MAY 7208P011-6020MAY 8010P075-6021TAPE, FOIL (3`` WIDE)22WP98008545 Whirlpool Screw23MAY 7744P078-6024MAY 7744P055-6025MAY 7101P290-6026MAY 7744P076-6026MAY 7744P075-60