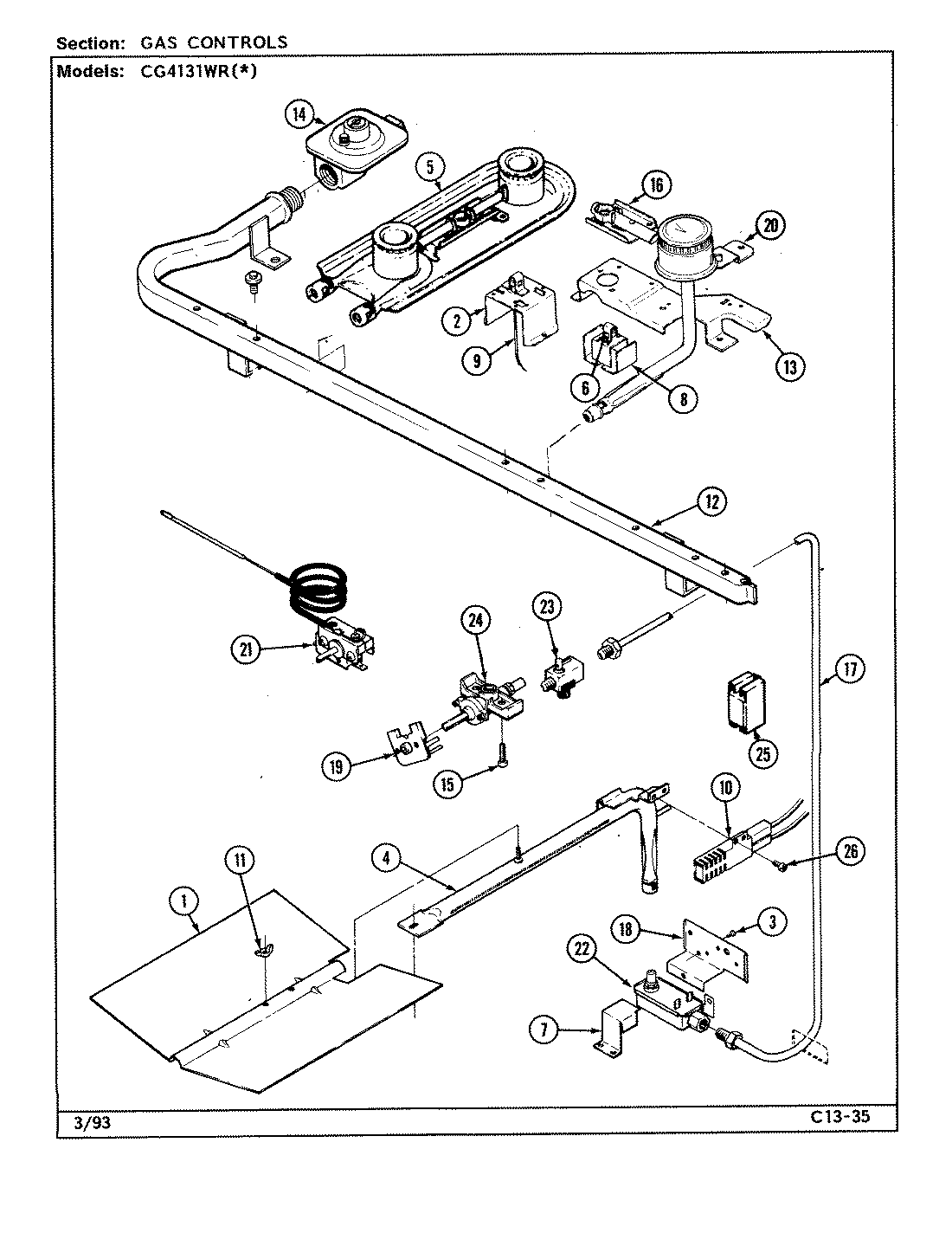
CG4131WRW 04 – GAS CONTROLSadmin2025-04-26T09:36:08+00:00CG4131WRW 04 – GAS CONTROLS ProductsPositionProduct1MAY 3601F099-451MAY 3601F215-452MAY 3807F112-343WP4159193 Whirlpool Screw4MAY 3403D030-455MAY 3412A004-197MAY 4005F173-518MAY 3807F069-349MAY 7432P015-6010MAY 7432P076-6011NUT, WING12MAY 7513P138-6013MAY 3807F230-3414MAY 7510P002-6015MAY 7101P044-6016MAY 7506P018-6017MAY 3414F051-4418MAY 3807F124-3419WP7403P287-60 Whirlpool Igniter Switch20MAY 7505P001-6021MAY 7101P279-6021MAY 7404P062-6022MAY 155525122MAY 7501P106-6023MAY 7502P002-6024MAY 7502P185-6024MAY 7502P177-6025MAY 7431P023-6026SCREW (10-24X5/16-NI)