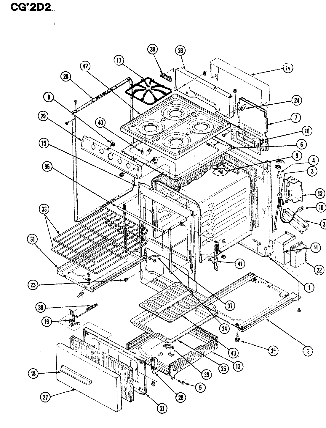
CGA2D2K 01 – BODY