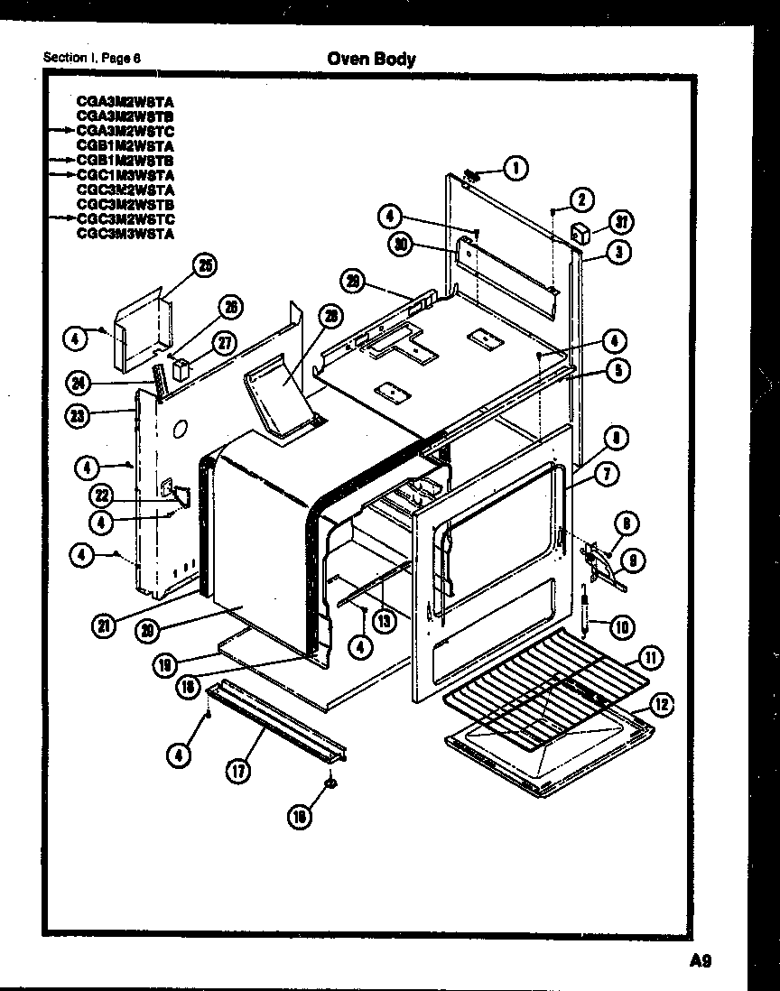
CGA3M2WSTC 05 – OVEN BODYadmin2025-04-26T08:43:01+00:00CGA3M2WSTC 05 – OVEN BODY ProductsPositionProduct*21422OWNERS USE AND CARE BOOK1WCI AP1720042WCI AP1720023WCI A640130004WCI AP0510565SUPPORT-CONTROL PNL6WCI A983860017WCI AP32605085304500008 Frigidaire Oven Screw9WCI A960680009A318348801 Frigidaire Oven Left Side Door Hinge10WCI AP33905311WCI AP30104212WCI A5110500213SUPPORT, BTM14WCI AP05104515WCI AP39102116WCI AP05900917BASE RAIL18WCI A5113000218BWCI A5114700218CWCI A5114200218AWCI A5113100219PANEL, BOTTOM20WCI AP20706321WCI AP20706622WCI A7406000023WCI A0508500028WCI A9204900029WCI A9840700030AHEAT SHIELD, LH (NON-ILLUSTRATED)30HEAT SHIELD-RH31CORNER PAD - END PANELS (2)