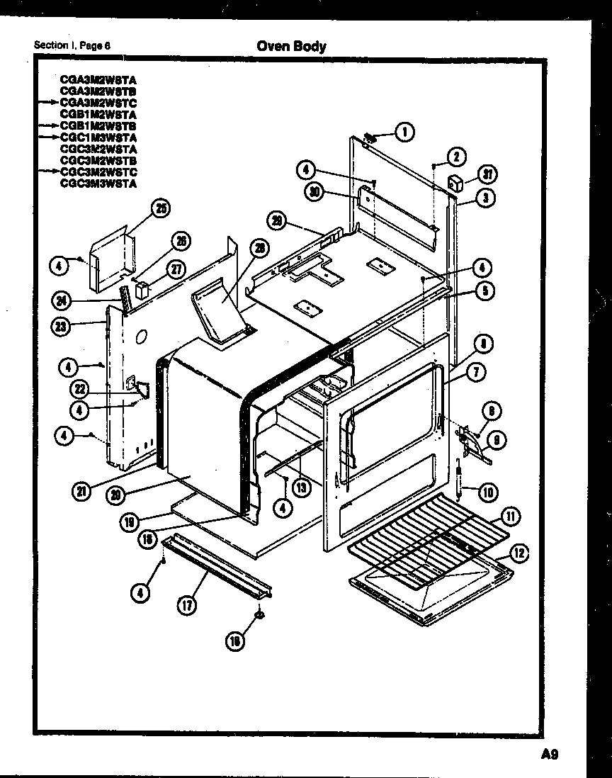
CGC3M2WSTA 05 – OVEN BODYadmin2025-04-26T08:42:28+00:00CGC3M2WSTA 05 – OVEN BODY ProductsPositionProduct*21422OWNERS USE AND CARE BOOK1WCI AP1720042WCI AP1720023WCI A640130004WCI AP0510565WCI A740760006WCI A983340017WCI AP32605285304500008 Frigidaire Oven Screw9WCI A960680009A318348801 Frigidaire Oven Left Side Door Hinge10WCI AP33903811WCI AP30104612WCI A5110300313SUPPORT, BTM14WCI AP05104515WCI AP39102116WCI AP05900917BASE RAIL18AWCI A5113100218BWCI A5114900218CWCI A5114400218WCI A5113000219PANEL, BOTTOM20WCI AP20706521WCI AP20706822WCI A7406000023VENT BOX28WCI A9204900029WCI A9840900030AHEAT SHIELD, LH (NON-ILLUSTRATED)30HEAT SHIELD-RH31CORNER PAD - END PANELS (2)