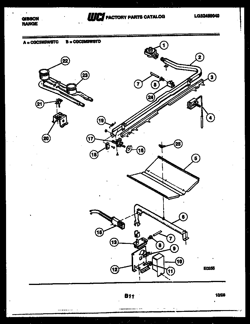
CGC3M3WSTD 04 – BURNER PARTSadmin2025-04-26T08:42:38+00:00CGC3M3WSTD 04 – BURNER PARTS ProductsPositionProduct2WCI 080139063SLIDE BAR4ACLIP-CAPILLARY (NON-ILLUSTRATED)4THERMOSTAT5BAFFLE-OVEN BURNER6WCI 32027527TUBE - 3/8 FEED8WCI 31310649WCI 0800798510COVER - OVEN SAFETY VALVE11WCI 0800805112SUPPORT-OVEN SAFETY VALVE13WCI 08009419155303935066 Frigidaire Oven Flat Igniter 17" Leads16WCI 0800800217WCI 313105718MICRO - SWITCH19WCI 313109620WCI 320396421IGNITER-TOP BURNER 36``22BURNER - TOP FRONT23BURNER - TOP REAR24WCI 3131099255308007974 Frigidaire Pressure Regulator