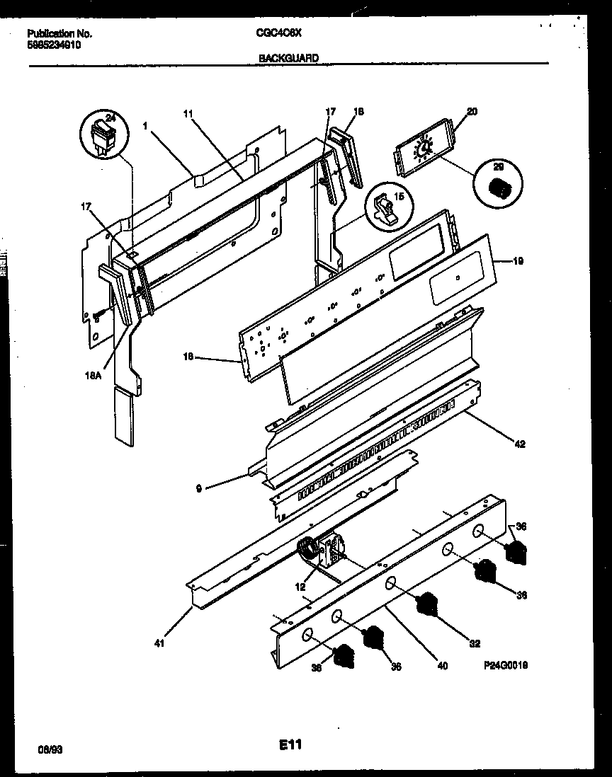
| 1 | SHIELD-BACKGUARD, REAR WALL |
| 9 | TRIM-SPLASHER, ALMOND |
| 11 | WCI 5303210609 |
| 12 | 316032411 Frigidaire Stove Temperature Control Thermostat |
| 15 | SUPPORT-BACKGUARD,(2) |
| 16 | WCI 316042601 |
| 17 | TRIM-GLASS RTNR. LH & RH |
| 18 | SHIELD-REAR WALL |
| 18A | WCI 3131229 |
| 19 | PANEL-CONTROL, GLASS |
| 20 | WCI 5303212519 |
| 24 | 5308015487 Frigidaire Switch-Oven Light |
| 29 | KNOB-CLOCK |
| 32 | WCI 5303212558 |
| 36 | WCI 5303212557 |
| 40 | WCI 5303212556 |
| 41 | WCI 3203443 |
| 42 | WCI 3131241 |