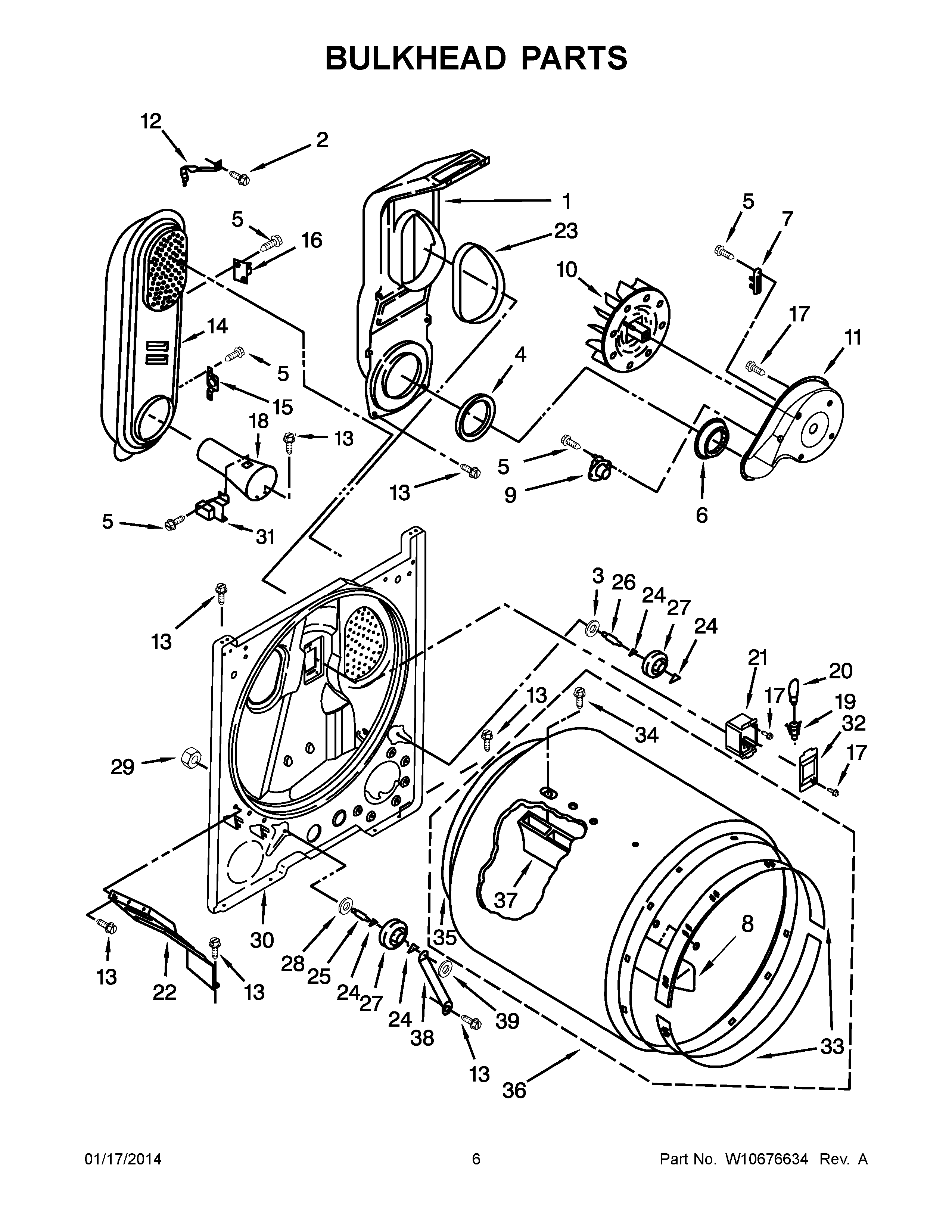
CGD137SDW0 04 – BULKHEAD PARTS