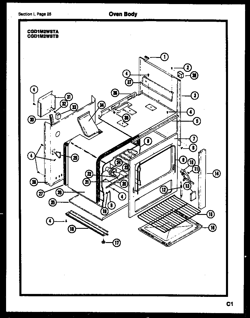
CGD1M2WSTA 17 – OVEN BODYadmin2025-04-26T08:42:36+00:00CGD1M2WSTA 17 – OVEN BODY ProductsPositionProduct*21445OWNERS USE AND CARE BOOK1WCI AP1720042WCI AP1720023WCI A640130004WCI AP0510565WCI A740650006BWCI A511490026WCI A511300026CWCI A511440026AWCI A511310027WCI A983340018WCI AP0510659WCI AP32605210WCI A9606800010A318348801 Frigidaire Oven Left Side Door Hinge115304500008 Frigidaire Oven Screw12WCI AP33903813SUPPORT14FILLER PANE, WHITE15WCI AP30104616WCI A5110300317WCI AP05900918BASE RAIL19WCI AP39102120SUPPORT, BTM25PANEL, BOTTOM26WCI AP20706527WCI AP20706828WCI A0508800029WCI A7406000034WCI A9204900036WCI A9841000037AHEAT SHIELD, LH (NON-ILLUSTRATED)37HEAT SHIELD-RH38CORNER PAD - END PANELS (2)