| NI | 316021105 Frigidaire Oven Screw |
| NI | 316483102 Frigidaire Oven Label |
| NI | 316418900 Frigidaire Oven Screw |
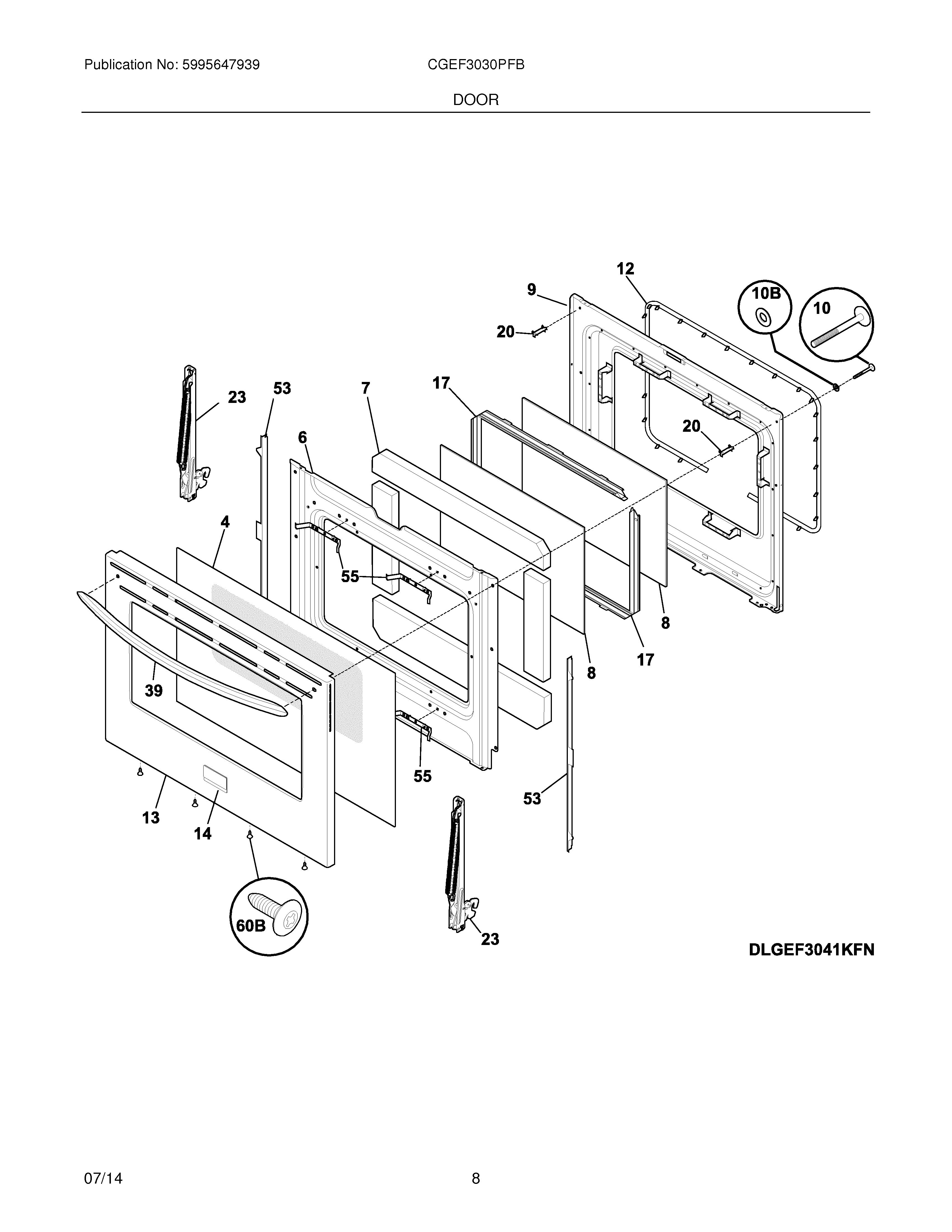
| 4 | 316452758 Frigidaire Oven Outer Door Glass |
| 6 | 316406328 Frigidaire Shield |
| 7 | 316405600 Frigidaire Insulation |
| 8 | 5304503232 Frigidaire Oven Inner Door Glass |
| 9 | WCI 316423707 |
| 10B | 316008401 Frigidaire Washer P-1 |
| 10 | Screw,handle mtg. ,10-24 x 1.75`` ,(2) |
| 12 | 316405000 Frigidaire Oven Seal |
| 13 | WCI 316407922 |
| 14 | 316572700 Frigidaire Oven Nameplate |
| 17 | 5304504811 Frigidaire Glass Spacer |
| 20 | 316284100 Frigidaire Oven Spacer Assembly |
| 23 | 316575909 Frigidaire Range Door Hinge |
| 39 | 316554010 Frigidaire Stainless Steel Handle |
| 53 | 5304532042 Frigidaire Shield-Filler Door |
| 55 | 316408300 Frigidaire Oven Bracket |
| 60B | 316021109 Frigidaire Oven Screw |