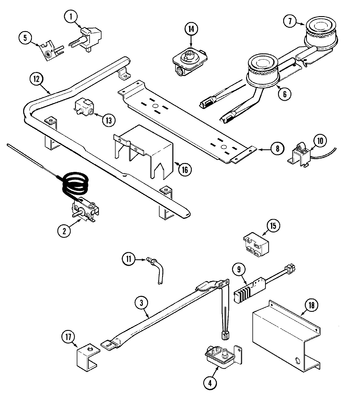
CGL1120ADL 03 – GAS CONTROLSadmin2025-04-26T09:37:01+00:00CGL1120ADL 03 – GAS CONTROLS ProductsPositionProductNINOT REQUIRED PART OR SEE NOTE FUSE (NOT REQUIRED)1MAY 740033031WP8273096 Whirlpool Screw2WP74002390 Whirlpool Oven Thermostat2SCREW3MAY 3403D048-454MAY 740073354MAY 740033115MAY 7101P356-605MAY 740023846MAY 740032997MAY 740033008MAY 740033089MAY 7432P076-6010MAY 7432P028-6010MAY 7432P029-6010MAY 7400446810MAY 7400446711MAY 3414F085-4412MAY 7400330913MAY 7502P002-6014MAY 7510P049-6015MAY 7400428215MAY 7431P006-6015MAY 4005F319-4516MAY 7400331017MAY 3807F336-5118MAY 3807F369-45