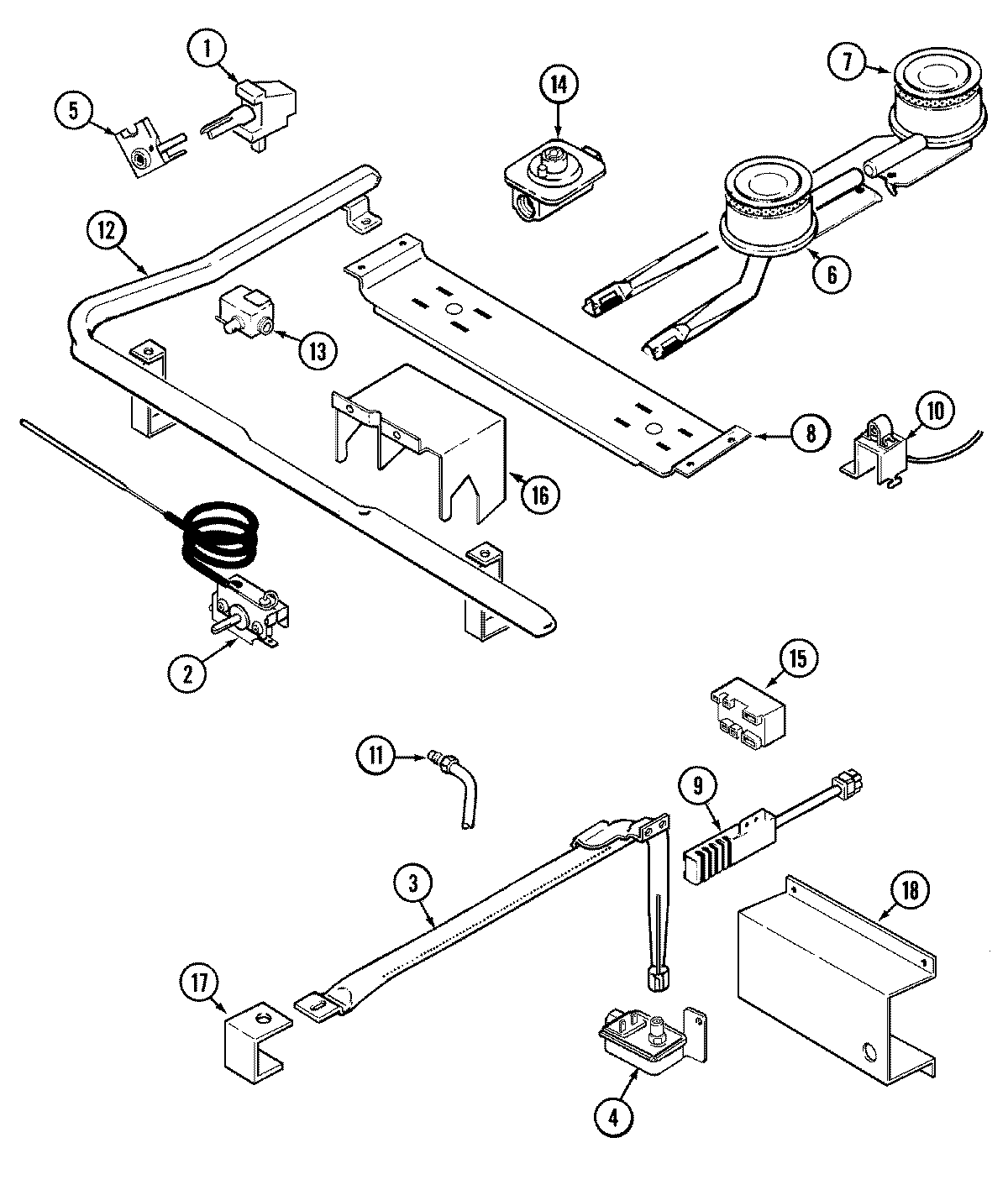
CGL1120ADT 03 – GAS CONTROLSadmin2025-04-26T09:37:45+00:00CGL1120ADT 03 – GAS CONTROLS ProductsPositionProductNINOT REQUIRED PART OR SEE NOTE FUSE (NOT REQUIRED)1MAY 740033031MAY 120022441WP8273096 Whirlpool Screw2SCREW2WP74002390 Whirlpool Oven Thermostat3MAY 3403D048-454MAY 740033114MAY 740073355MAY 740023845MAY 7101P356-605MAY 740094156MAY 740032996WP74010145 Whirlpool Burner7W11218700 Whirlpool Top Burner Assembly7MAY 740033008MAY 740033088MAY 740101479MAY 7432P076-6010MAY 7400446810MAY 7400446711MAY 3414F085-4412MAY 7400330913MAY 7502P002-6014MAY 7510P049-6015MAY 7400428215MAY 4005F319-4515MAY 7400688616MAY 7400331017MAY 3807F336-5118MAY 3807F369-45