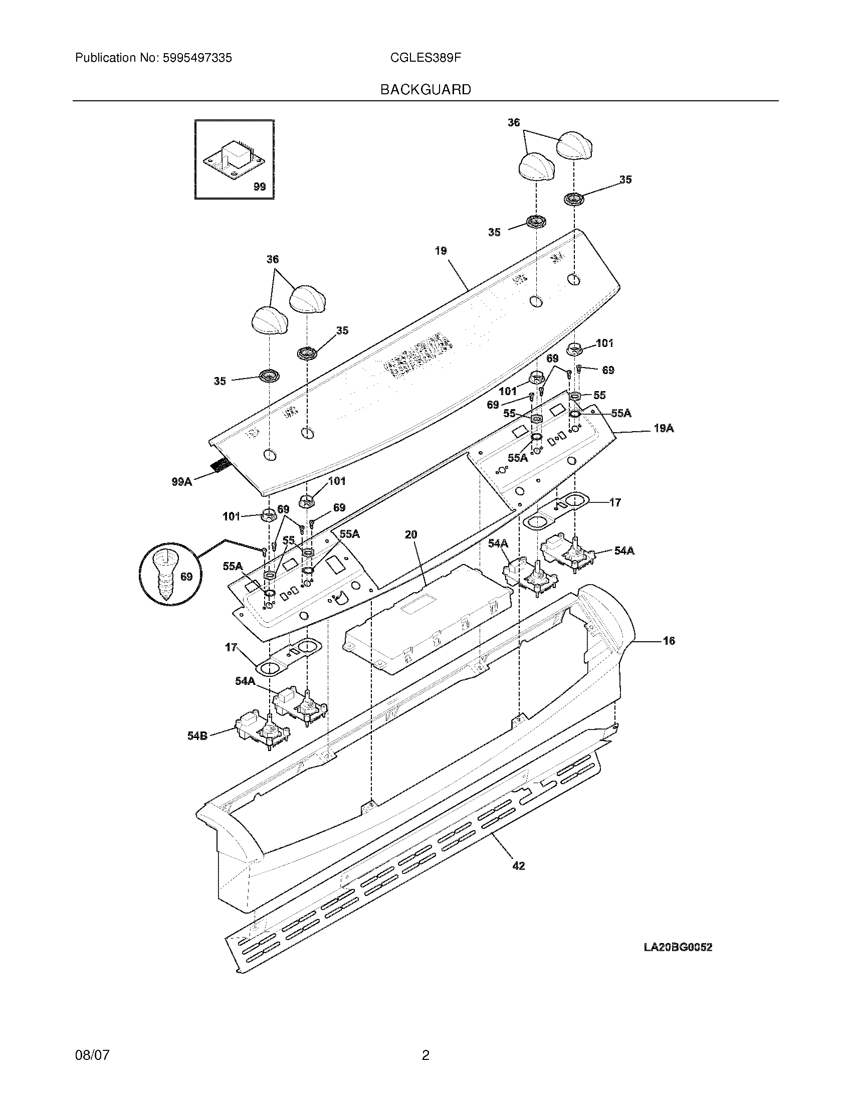
CGLES389FB3 03 – BACKGUARD