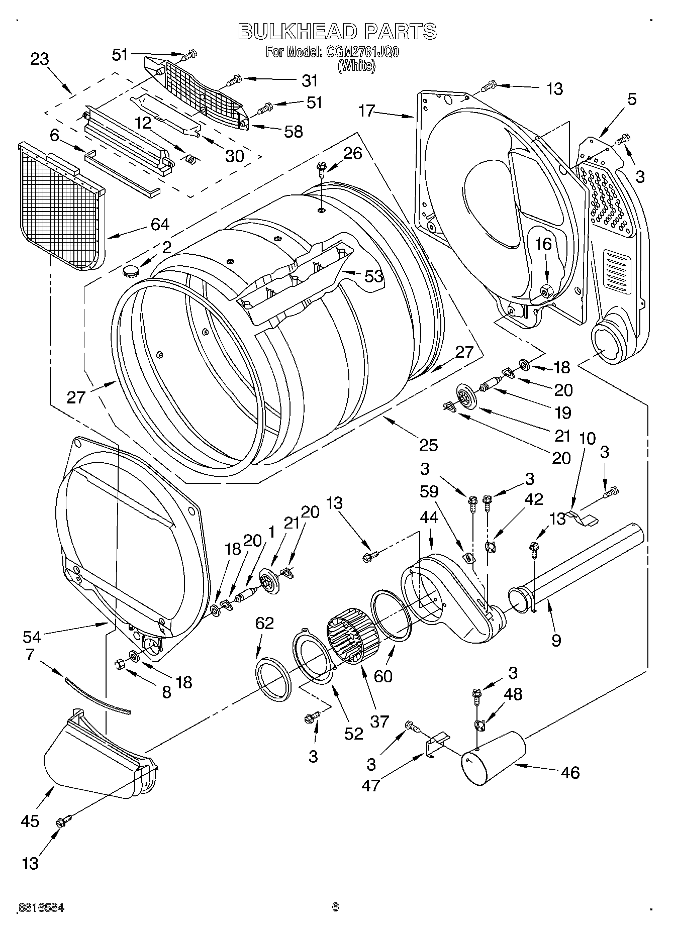
CGM2761JQ0 04 – BULKHEAD, OPTIONALadmin2025-04-26T09:31:26+00:00CGM2761JQ0 04 – BULKHEAD, OPTIONAL ProductsPositionProduct1SHAFT28066086 Whirlpool Plug3WPW10139210 Whirlpool Screw5W11168650 Whirlpool Air Duct6WP697813 Whirlpool Seal8WP3359452 Whirlpool Nut9279936 Whirlpool Exhaust Pipe10WP3395536 Whirlpool Clip Assembly12WP3394986 Whirlpool Spring13WP488729 Whirlpool Refrigerator Door Screw16Nut, 3/8-16 (L.H.)17W11299300 Whirlpool Bulkhead Assembly18W11236646 Whirlpool Washer Assembly19SHAFT20WPW10512946 Whirlpool Dryer Tri-Ring Drum Roller21WPW10314173 Whirlpool Dryer Drum Support Wheel23W11129408 Whirlpool Out Housing25W10545924 Whirlpool Drum Assembly26WPW10109200 Whirlpool Screw27280114 Whirlpool Dryer Drum Seal30W11222846 Whirlpool Door37WP697772 Whirlpool Dryer Blower Wheel42WP3387138 Whirlpool Cycling Thermostat44WP8544363 Whirlpool Housing45Lint Duct Assembly46WP8066047 Whirlpool Funnel47WP338906 Whirlpool Dryer Gas Sensor48THRMST-FIX51WP3387230 Whirlpool Screw52279780 Whirlpool Plate Cover53WPW10113136 Whirlpool Drum Baffle54WP697557 Whirlpool Bulkhead Assembly58W11086603 Whirlpool Dryer Link Screen Air Grille59WP3390719 Whirlpool Dryer Thermal Fuse60WP697770 Whirlpool Blower Cover Plate Seal62WP8566209 Whirlpool Seal6472017 Whirlpool Appliance Touch-Up Paint White64799344 Whirlpool Refrigerator Paint64350930 Whirlpool White Spray Paint64W10120998 Whirlpool Dryer Lint Screen Filter64350938 Whirlpool Spray Gun