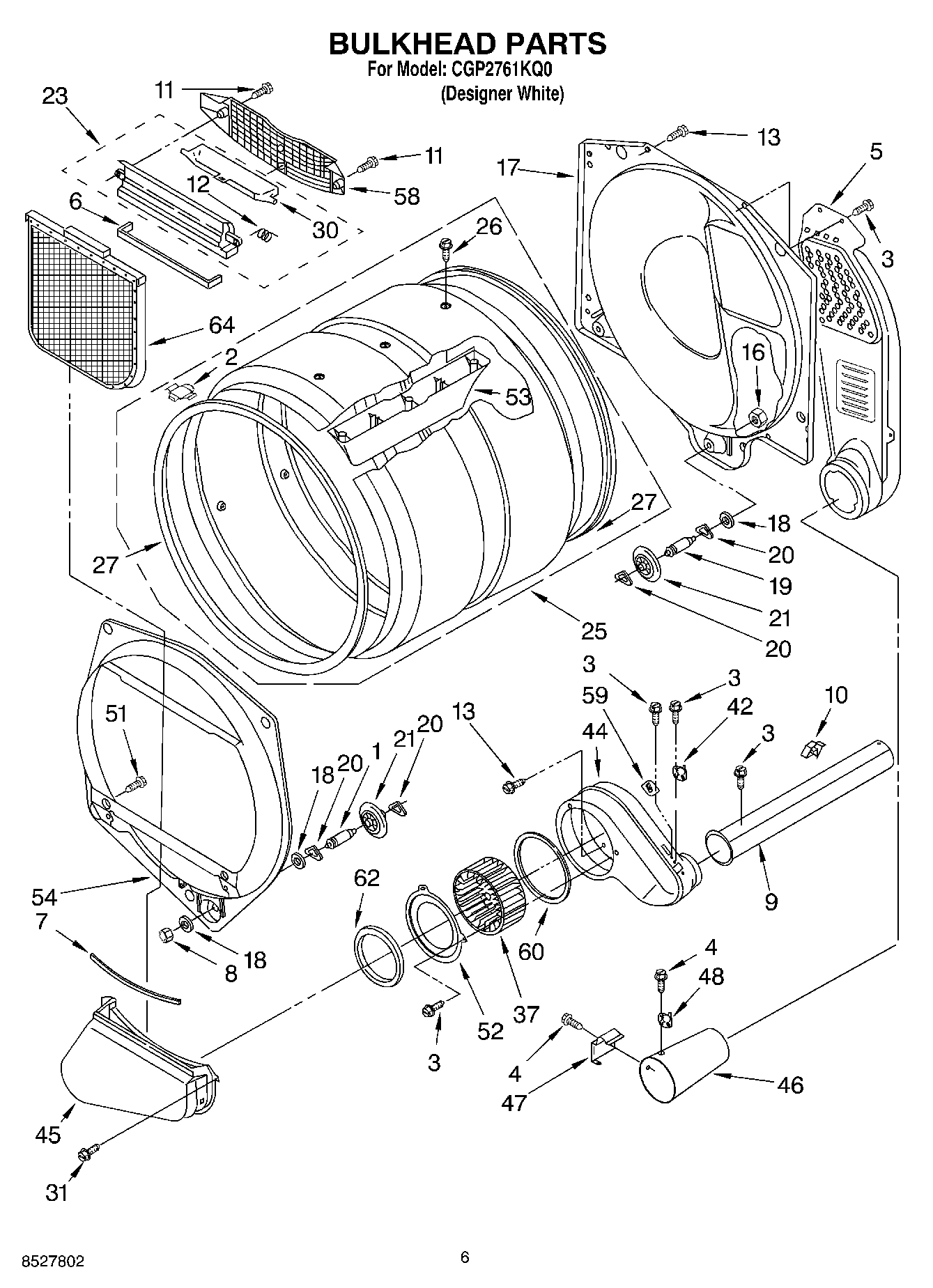
CGP2761KQ0 04 – BULKHEAD