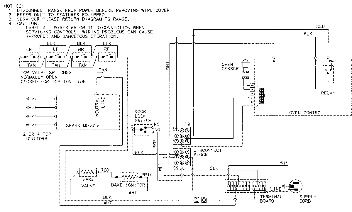
CGR3520ADH 07 – WIRING INFORMATIONadmin2025-04-26T09:40:05+00:00CGR3520ADH 07 – WIRING INFORMATION ProductsPositionProductNIMAY 15002280