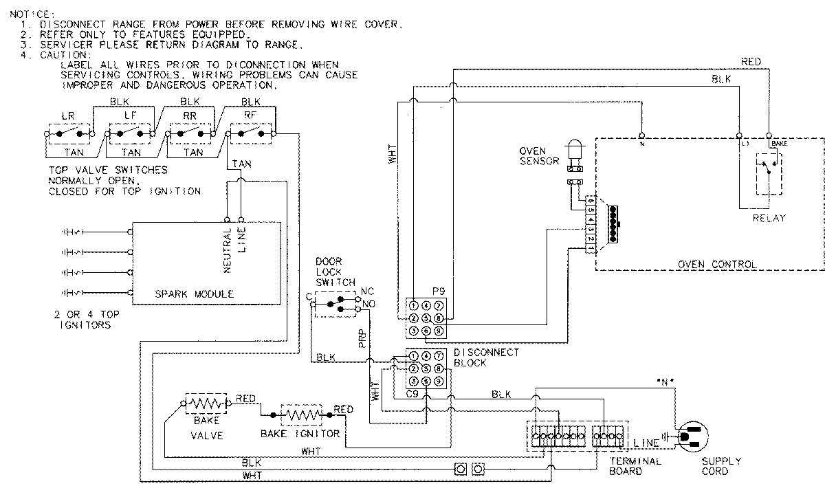
CGR3520ADL 07 – WIRING INFORMATIONadmin2025-04-26T09:35:32+00:00CGR3520ADL 07 – WIRING INFORMATION ProductsPositionProductNIMAY 15002280