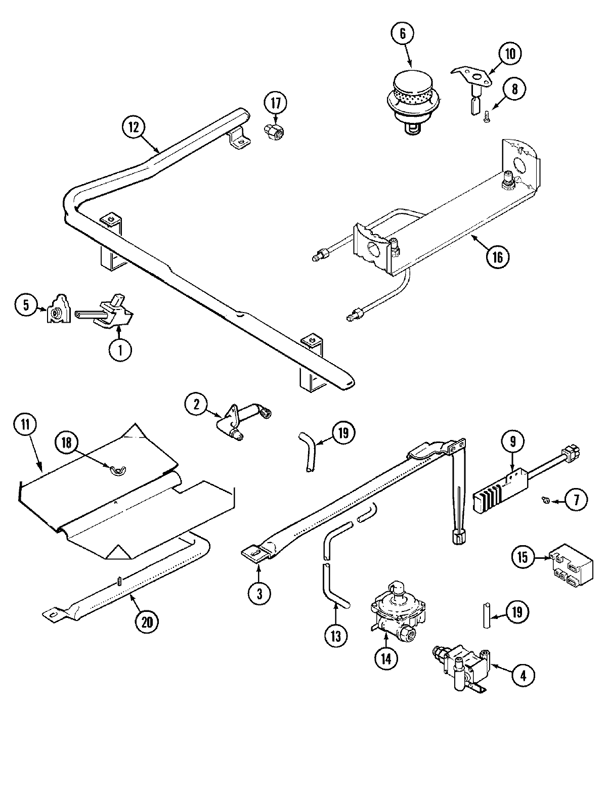
CGR3730ADT 04 – GAS CONTROLSadmin2025-04-26T09:39:00+00:00CGR3730ADT 04 – GAS CONTROLS ProductsPositionProductNINOT REQUIRED PART OR SEE NOTE FUSE (NOT REQUIRED)NIMAY 74006516NIMAY 74009913NIMAY 120013231WP8273096 Whirlpool Screw1MAY 710032311MAY 740039241MAY 740043032MAY 740043072MAY 740064213MAY 740039603MAY 3807F446-454WP74006427 Whirlpool Oven Valve5WP7403P279-60 Whirlpool Igniter Switch5MAY 740025336WP3412D024-09 Whirlpool Oven Burner Head7SCREW (10-24X5/16-NI)8MAY Y7071139MAY 7432P075-609MAY 4005F421-451074004053 Whirlpool Range Cooktop Top Burner Electrode Spark Igniter11MAY 7400923111MAY 3601F217-4712MAY 7400642213MAY 7400642814WP74006429 Whirlpool Regulator14MAY 7400778015MAY 74005266158215557 Whirlpool Gas Stove Range Oven Cooktop Spark Module16MAY 7400352816WP5787M052-60 Whirlpool Fitting17MAY 7103P130-6018NUT, WING19MAY 1555258K19MAY 7400643020MAY 74004076