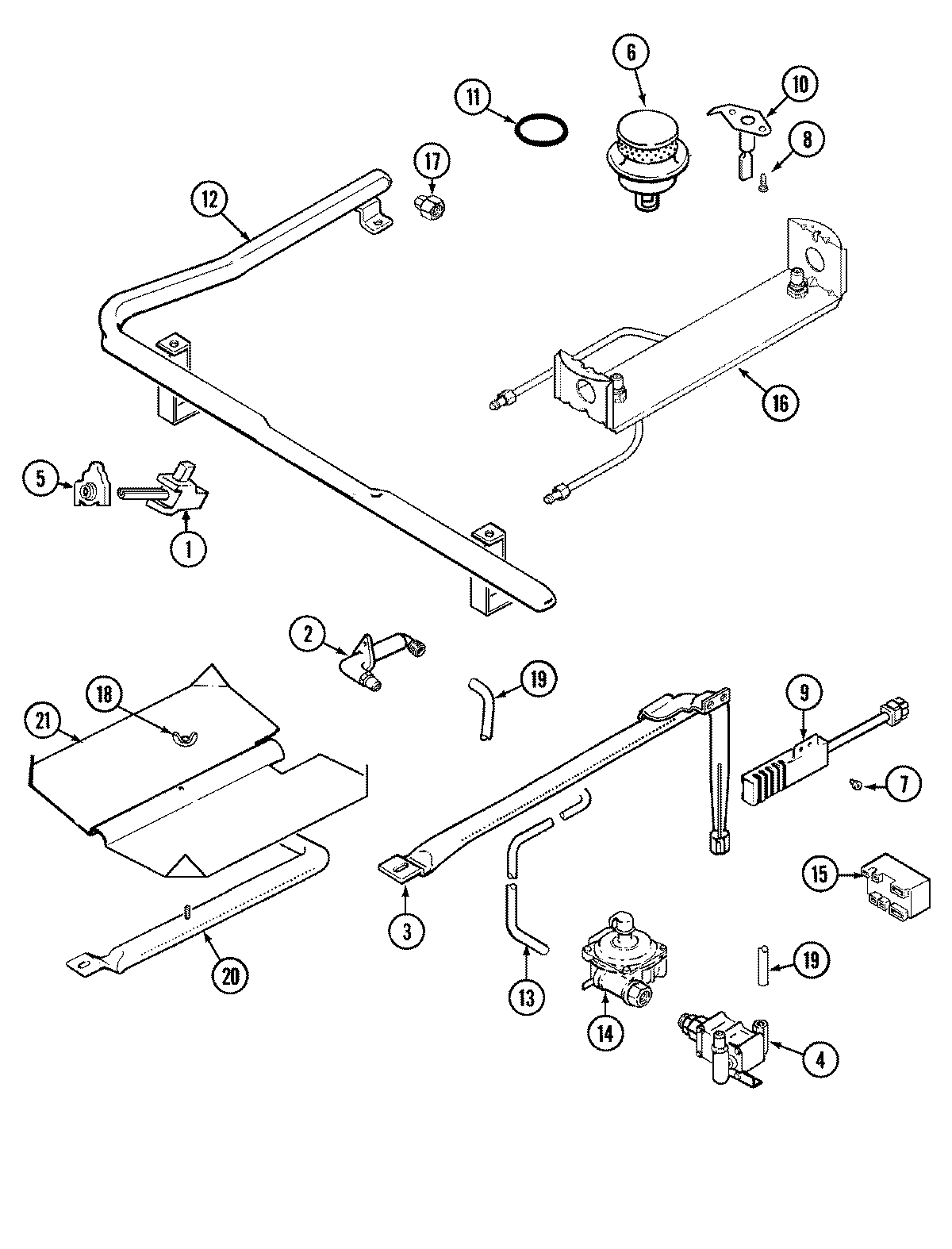
CGR3740ADH 04 – GAS CONTROLSadmin2025-04-26T09:40:08+00:00CGR3740ADH 04 – GAS CONTROLS ProductsPositionProductNINOT REQUIRED PART OR SEE NOTE FUSE (NOT REQUIRED)NIMAY 5140D035-60NIMAY 5125A312-60NIMAY 5120D019-60NIMAY 710035401MAY 740039241MAY 7101P044-602MAY 7507P088-602MAY 3605F186-453MAY 3403D043-453MAY 3807F446-454WP74006427 Whirlpool Oven Valve5WP7403P279-60 Whirlpool Igniter Switch6MAY 3412D018-097WP3351614 Whirlpool Screw8MAY 7101P315-609MAY 4005F421-459MAY 7432P076-6011MAY 7400274512MAY 7400350413MAY 3414F103-4414WP74006429 Whirlpool Regulator158215557 Whirlpool Gas Stove Range Oven Cooktop Spark Module15MAY 7400328816WP5787M052-60 Whirlpool Fitting16MAY 7400352817MAY 7103P130-6018NUT, WING19MAY 1555258K19MAY 3414F102-4420MAY 3403D024-4521MAY 3601F217-47