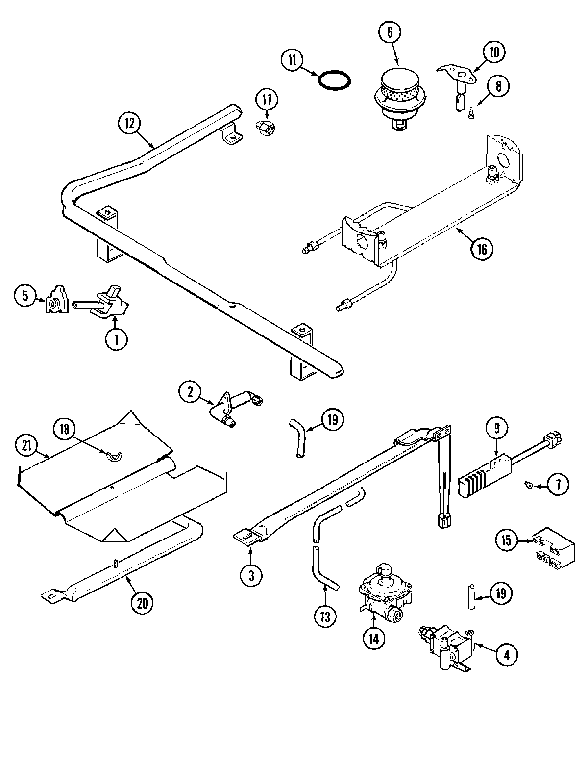
CGR3742ADA 04 – GAS CONTROLSadmin2025-04-26T09:37:56+00:00CGR3742ADA 04 – GAS CONTROLS ProductsPositionProductNINOT REQUIRED PART OR SEE NOTE FUSE (NOT REQUIRED)NIMAY 71003540NIMAY 5140D035-601MAY 7101P044-601MAY 7502P251-602MAY 3605F186-452MAY 7507P088-602WP3387230 Whirlpool Screw3MAY 3403D043-453MAY 3807F446-454WP74006427 Whirlpool Oven Valve5WP7403P279-60 Whirlpool Igniter Switch6MAY 3412D018-087WP3351614 Whirlpool Screw8MAY 7101P315-609MAY 4005F421-459MAY 7432P076-601074004053 Whirlpool Range Cooktop Top Burner Electrode Spark Igniter11MAY 7400274512MAY 7400350413MAY 3414F103-4414WP74006429 Whirlpool Regulator15MAY 74003288158215557 Whirlpool Gas Stove Range Oven Cooktop Spark Module16WP5787M052-60 Whirlpool Fitting16MAY 7400350617MAY 7103P121-6018NUT, WING19MAY 1555258K19MAY 3414F102-4420MAY 3403D024-4521SCREW21MAY 3601F217-47