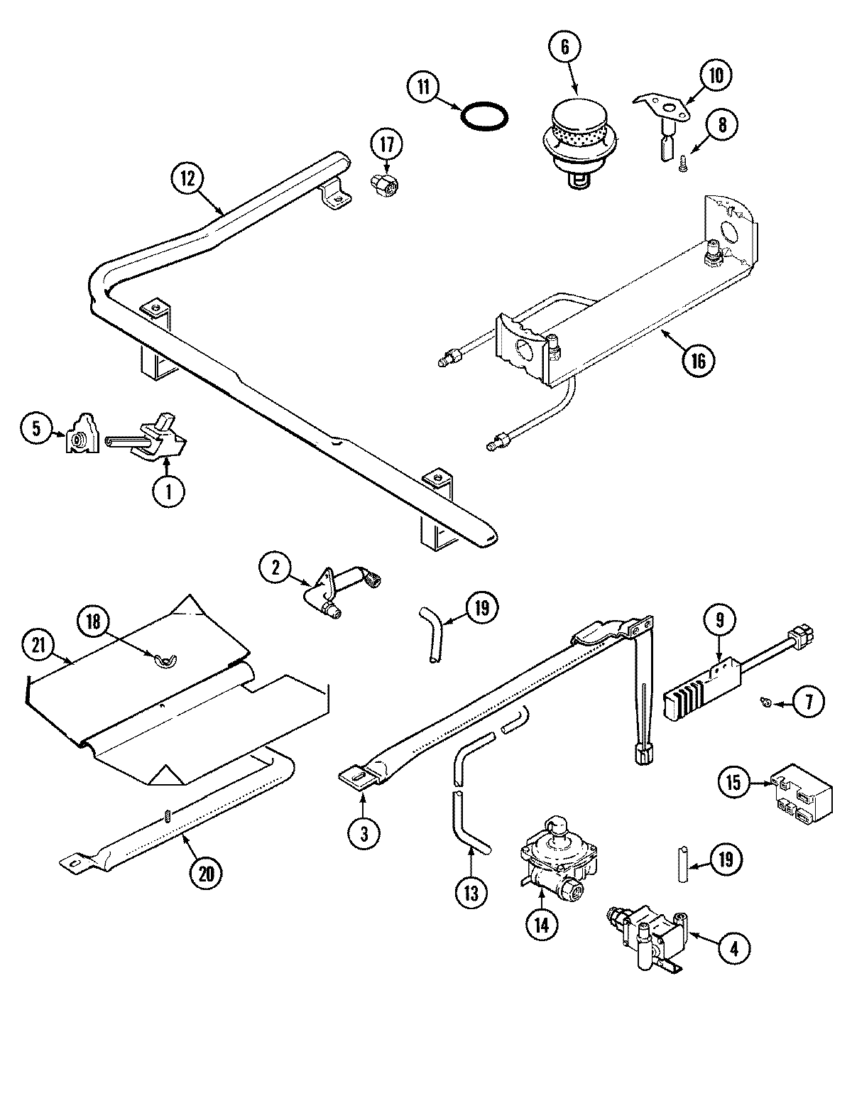
CGR3742BDQ 04 – GAS CONTROLSadmin2025-04-26T09:38:11+00:00CGR3742BDQ 04 – GAS CONTROLS ProductsPositionProductNINOT REQUIRED PART OR SEE NOTE FUSE (NOT REQUIRED)NIMAY 710035401WP8273096 Whirlpool Screw1MAY 710032311MAY 740039241MAY 740043032MAY 740043072WP3387230 Whirlpool Screw2MAY 7507P088-603MAY 3807F446-453MAY 740039604WP74006427 Whirlpool Oven Valve5MAY 740025335MAY 740049865WP7403P279-60 Whirlpool Igniter Switch6MAY 740039627SCREW (10-24X5/16-NI)8MAY Y7071139MAY 7432P075-609MAY 4005F421-451074004053 Whirlpool Range Cooktop Top Burner Electrode Spark Igniter11MAY 7400274512MAY 7400568112MAY 7400350413MAY 7400255314WP74006429 Whirlpool Regulator158215557 Whirlpool Gas Stove Range Oven Cooktop Spark Module16MAY 7400350616WP5787M052-60 Whirlpool Fitting17MAY 7103P130-6018NUT, WING19MAY 3414F102-4419MAY 1555258K20MAY 7400407621SCREW21MAY 3601F217-47