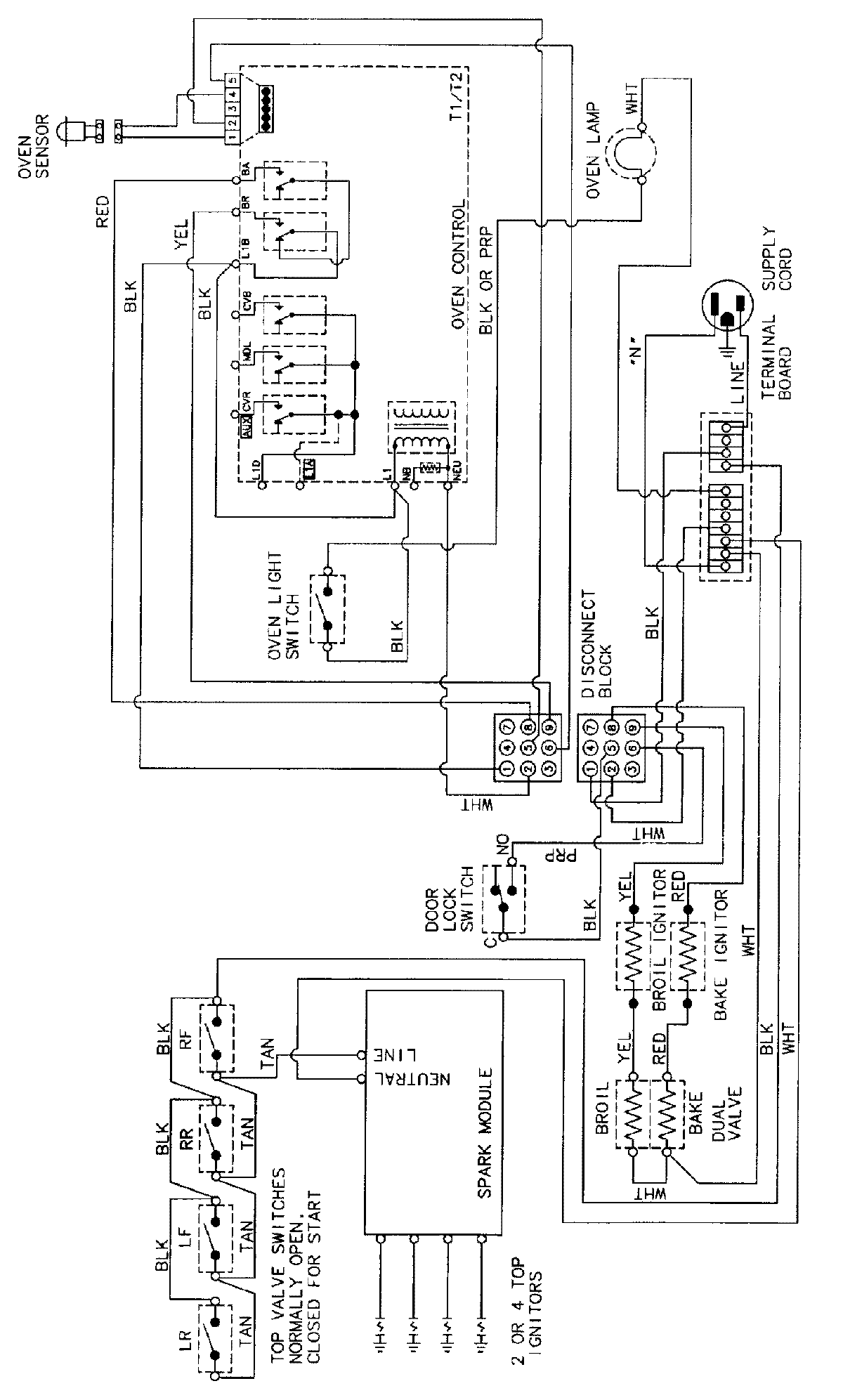
CGR3760ADW 07 – WIRING INFORMATIONadmin2025-04-26T09:38:01+00:00CGR3760ADW 07 – WIRING INFORMATION ProductsPositionProductNIMAY 15002243